Bơm đường ống IRG ISW ISWB là máy bơm ly tâm trục đứng. Nó phù hợp để bơm nước sạch không có hạt mài mòn và chất lỏng không ăn mòn hóa học đối với vật liệu của máy bơm. Dòng sản phẩm này có thể được sử dụng để cung cấp và vận chuyển nước trong các hệ thống làm mát, sưởi ấm, tuần hoàn và điều hòa không khí cũng như cho các ứng dụng chữa cháy và công nghiệp. Máy bơm nên được lắp đặt trong nhà hoặc ít nhất là ở vị trí được bảo vệ khỏi thời tiết.
1. Áp suất tối đa của hệ thống bơm là 1,6 MPa, tức là áp suất đầu vào bơm + áp suất của bơm là 1,6 MPa. (Khi đặt hàng vui lòng cho biết áp suất vận hành của hệ thống, áp suất làm việc của hệ thống bơm lớn hơn 1,6 MPa, khi đặt hàng vui lòng ghi riêng. Các bộ phận chảy và kết nối của máy bơm trong quá trình sản xuất đều được làm bằng gang.)
2. Môi trường áp dụng: chất rắn không hòa tan có hàm lượng thể tích không quá 0,1% trên một đơn vị thể tích và kích thước hạt không quá 0,2 mm (môi trường có các hạt nhỏ phải có độ kín cơ học chống mài mòn, cho biết khi đặt hàng).
3. Nhiệt độ môi trường không vượt quá 40 ° C, nhiệt độ tương đối không vượt quá 95 ° C, độ cao so với mực nước biển không vượt quá 1000m.
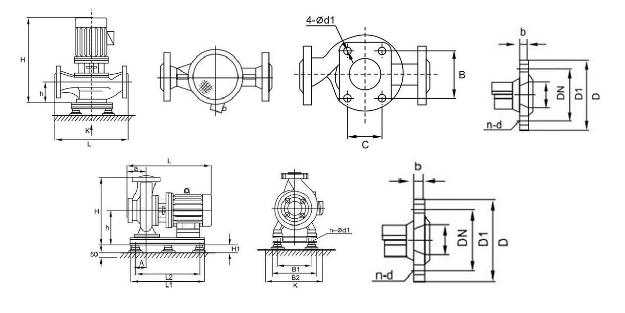
ĐÓ LÀ SAU 50 - 160 - 3
① IRG: bơm đường ống đứng
② 50: Cỡ nòng (mm)
③ 160: đường kính Iring (mm)
④ 3: Công suất (KW)
| Kiểu | Truyền phát Q | cố gắng m |
Hiệu quả (%) |
Đồng bộ hóa Tốc độ quay r/phút |
Động cơ điện Quyền lực KW |
Bắt buộc cung cấp cavitation (m) |
Cài đặt bản ghi dọc | Kích thước của bơm ngang | Kích thước của mặt bích | Cách ly rung | H1 | |||||||||||||
| m³/h | L/S | H | L | h | B | C | H | h | a | L1 | L | L2 | B1 | D | D1 | n-d | Đặc điểm kỹ thuật | |||||||
| 25-125 |
2.8 4 5.2 |
0.78 1.11 1.44 |
20.6 20 18 |
28 36 35 |
2900 | 0.75 | 2.3 | 430 | 275 | 70 | 80 | 50 | 320 | 180 | 90 | 405 | 445 | 210 | 260 | Φ115 | Φ85 | 4-F16 | SD41-0.5 | 20 |
| 25-125A |
2.5 3.6 4.6 |
0.69 1.0 1.28 |
17 16 14.4 |
27 35 34 |
2900 | 0.75 | 2.3 | 430 | 275 | 70 | 80 | 50 | 320 | 180 | 90 | 405 | 445 | 210 | 260 | Φ115 | Φ85 | 4-F16 | SD41-0.5 | 20 |
| 25-160 |
2.8 4 5.2 |
0.78 1.11 1.44 |
33 32 30 |
24 32 33 |
2900 | 1.5 | 2.3 | 455 | 320 | 75 | 100 | 60 | 320 | 180 | 90 | 440 | 470 | 250 | 300 | Φ115 | Φ85 | 4-F16 | SD41-0.5 | 20 |
| 25-160A |
2.6 3.7 4.9 |
0.72 1.03 1.36 |
29 28 26 |
22 31 32 |
2900 | 1.1 | 2.3 | 440 | 320 | 75 | 100 | 60 | 320 | 180 | 90 | 440 | 455 | 250 | 300 | Φ115 | Φ85 | 4-F16 | SD41-0.5 | 20 |
| 32-125 |
3.5 5 6.5 |
0.97 1.39 1.8 |
22 20 18 |
40 44 42 |
2900 | 0.75 | 2.3 | 445 | 270 | 75 | 100 | 60 | 320 | 180 | 90 | 440 | 455 | 250 | 310 | Φ140 | Φ100 | 4-F16 | SD41-0.5 | 20 |
| 32-125A |
3.1 4.5 5.8 |
0.86 1.25 1.61 |
17.6 16 14.4 |
38 42 40 |
2900 | 0.75 | 2.3 | 445 | 270 | 75 | 100 | 60 | 320 | 180 | 90 | 440 | 455 | 250 | 310 | Φ140 | Φ100 | 4-F16 | SD41-0.5 | 20 |
| Kiểu | Truyền phát Q | cố gắng m |
Hiệu quả (%) |
Đồng bộ hóa Tốc độ quay r/phút |
Động cơ điện Quyền lực KW |
Bắt buộc cung cấp cavitation (m) |
Cài đặt bản ghi dọc | Kích thước của bơm ngang | Kích thước của mặt bích | Cách ly rung | H1 | |||||||||||||
| m³/h | L/S | H | L | h | B | C | H | h | a | L1 | L | L2 | B1 | D | D1 | n-d | Đặc điểm kỹ thuật | |||||||
| 40-100 |
4.4 6.3 8.3 |
1.22 1.75 2.31 |
13.2 12.5 11.3 |
48 54 53 |
2900 | 0.75 | 2.3 | 410 | 270 | 85 | 120 | 70 | 260 | 145 | 95 | 405 | 460 | 260 | 125 | Φ150 | Φ110 | 4-F18 | SD41-0.5 | 20 |
| 40-100A |
3.9 5.6 7.4 |
1.08 1.56 2.06 |
10.6 10 9 |
45 52 50 |
2900 | 0.75 | 2.3 | 410 | 270 | 85 | 120 | 70 | 260 | 145 | 95 | 405 | 460 | 260 | 125 | Φ150 | Φ110 | 4-F18 | SD41-0.5 | 20 |
| 40-125 |
4.4 6.3 8.3 |
1.22 1.75 2.31 |
21 20 18 |
41 46 43 |
2900 | 1.1 | 2.3 | 410 | 285 | 85 | 120 | 70 | 305 | 165 | 80 | 405 | 445 | 210 | 260 | Φ150 | Φ110 | 4-F18 | SD41-0.5 | 20 |
| 40-125A |
3.9 5.6 7.4 |
1.08 1.56 2.06 |
17.6 16 14.4 |
40 45 41 |
2900 | 0.75 | 2.3 | 410 | 285 | 85 | 120 | 70 | 305 | 165 | 80 | 405 | 445 | 210 | 260 | Φ150 | Φ110 | 4-F18 | SD41-0.5 | 20 |
| 40-160 |
4.4 6.3 8.3 |
1.22 1.75 2.31 |
33 32 30 |
35 40 40 |
2900 | 2.2 | 2.3 | 445 | 325 | 80 | 120 | 70 | 375 | 210 | 85 | 455 | 489 | 250 | 310 | Φ150 | Φ110 | 4-F18 | SD41-0.5 | 20 |
| 40-160A |
4.1 5.9 7.8 |
1.44 1.64 2.17 |
29 28 26.3 |
34 39 39 |
2900 | 1.5 | 2.3 | 420 | 325 | 80 | 120 | 70 | 375 | 210 | 85 | 455 | 465 | 250 | 310 | Φ150 | Φ110 | 4-F18 | SD41-0.5 | 20 |
| 40-160B |
3.8 5.5 7.2 |
1.06 1.53 2.0 |
25.5 24 225 |
34 38 37 |
2900 | 1.1 | 2.3 | 405 | 325 | 80 | 120 | 70 | 370 | 205 | 85 | 455 | 450 | 210 | 260 | Φ150 | Φ110 | 4-F18 | SD41-0.5 | 20 |
| Kiểu | Truyền phát Q | cố gắng m |
Hiệu quả (% ) |
Đồng bộ hóa Tốc độ quay r/phút |
Động cơ điện Quyền lực KW |
Cavitation bắt buộc còn lại (m) |
Lắp đặt máy bơm trục đứng | Kích thước của bơm ngang | Kích thước của mặt bích | Cách ly rung | H1 | |||||||||||||||
| m³/h | L/S | H | L | h | B | C | H | h | a | L1 | L | L2 | B1 | D | D1 | n-d | Đặc điểm kỹ thuật | |||||||||
| 40-200 |
4.4 6.3 8.3 |
1.22 1.75 2.31 |
51 50 48 |
26 33 32 |
2900 | 4 | 2.3 | 525 | 345 | 70 | 130 | 80 | 405 | 230 | 85 | 490 | 560 | 300 | 350 | Φ150 | Φ110 | 4-F18 | SD41-0.5 | 20 | ||
| 40-200A |
4.1 5.9 7.8 |
1.14 1.64 2.17 |
45 44 42 |
26 31 30 |
2900 | 3 | 2.3 | 495 | 345 | 70 | 130 | 80 | 405 | 230 | 85 | 490 | 530 | 300 | 350 | Φ150 | Φ110 | 4-F18 | SD41-0.5 | 20 | ||
| 40-200b |
3.7 5.3 7.0 |
1.08 1.47 1.94 |
38 36 34.5 |
23 29 24 |
2900 | 2.2 | 2.3 | 470 | 345 | 90 | 130 | 80 | 395 | 220 | 85 | 455 | 505 | 280 | 310 | Φ150 | Φ110 | 4-F18 | SD41-0.5 | 20 | ||
| 40-250 |
4.4 6.3 8.3 |
1.22 1.75 2.31 |
82 80 75 |
24 28 28 |
2900 | 7.5 | 2.3 | 580 | 405 | 100 | 130 | 80 | 455 | 255 | 80 | 540 | 625 | 340 | 380 | Φ150 | Φ110 | 4-F18 | SD41-0.5 | 20 | ||
| 40-250A |
4.1 5.9 7.8 |
1.14 1.64 2.17 |
72 70 65 |
24 28 27 |
2900 | 5.5 | 2.3 | 580 | 405 | 100 | 130 | 80 | 455 | 255 | 80 | 540 | 625 | 340 | 380 | Φ150 | Φ110 | 4-F18 | SD41-0.5 | 20 | ||
| 40-250B |
3.8 5.5 7.0 |
1.06 1.53 1.94 |
61.5 60 56 |
23 27 26 |
2900 | 4 | 2.3 | 535 | 405 | 100 | 130 | 80 | 455 | 255 | 80 | 540 | 570 | 340 | 380 | Φ150 | Φ110 | 4-F18 | SD41-0.5 | 20 | ||
| 40-100(Tôi) |
8.8 12.5 16.3 |
2.44 3.47 4.53 |
13.2 12.5 11.3 |
55 62 60 |
2900 | 1.1 | 2.3 | 420 | 300 | 95 | 120 | 70 | 290 | 145 | 80 | 405 | 470 | 210 | 260 | Φ150 | Φ110 | 4-F18 | SD41-0.5 | 20 | ||
| Kiểu | Truyền phát Q | cố gắng m |
Hiệu quả (%) |
Đồng bộ hóa Tốc độ quay r/phút |
Động cơ điện Quyền lực KW |
Bắt buộc cung cấp cavitation (m) |
Cài đặt bản ghi dọc | Kích thước của bơm ngang | Kích thước của mặt bích | Cách ly rung | H1 | ||||||||||||||
| m³/h | L/S | H | L | h | B | C | H | h | a | L1 | L | L2 | B1 | D | D1 | n-d | Đặc điểm kỹ thuật | ||||||||
| 40-100(I)A |
8 11 14.5 |
2.22 3.05 4.06 |
10.6 10 9 |
52 60 56 |
2900 | 0.75 | 2.3 | 420 | 300 | 95 | 120 | 70 | 290 | 145 | 80 | 405 | 470 | 210 | 260 | Φ150 | Φ110 | 4-F18 | SD41-0.5 | 20 | |
| 40-125(Tôi) |
8.8 12.6 16.3 |
2.44 3.47 4.53 |
21.2 20 17.8 |
49 58 57 |
2900 | 1.5 | 2.3 | 430 | 305 | 90 | 120 | 70 | 320 | 170 | 90 | 440 | 480 | 250 | 300 | Φ150 | Φ110 | 4-F18 | SD41-0.5 | 20 | |
| 40-125(I)A |
8 11 14.5 |
2.22 3.05 4.03 |
17 16 14 |
47 57 54 |
2900 | 1.1 | 2.3 | 415 | 305 | 90 | 120 | 70 | 315 | 165 | 90 | 440 | 465 | 210 | 260 | Φ150 | Φ110 | 4-F18 | SD41-0.5 | 20 | |
| 40-160(Tôi) |
8.8 12.5 16.3 |
2.44 3.47 4.53 |
33 32 30 |
45 52 52 |
2900 | 3.0 | 2.3 | 505 | 325 | 100 | 130 | 80 | 380 | 220 | 85 | 485 | 540 | 280 | 320 | Φ150 | Φ110 | 4-F18 | SD41-0.5 | 20 | |
| 40-160(I)A |
8.2 11.7 15.2 |
2.28 3.25 4.22 |
29 28 26 |
44 41 50 |
2900 | 2.2 | 2.3 | 465 | 325 | 100 | 130 | 80 | 380 | 220 | 85 | 455 | 495 | 280 | 310 | Φ150 | Φ110 | 4-F18 | SD41-0.5 | 20 | |
| 40-160(I)B |
7.8 10.4 13.5 |
2.38 2.89 3.75 |
23 22 20.5 |
44 49 47 |
2900 | 1.5 | 2.3 | 440 | 325 | 100 | 130 | 80 | 380 | 220 | 85 | 455 | 495 | 280 | 310 | Φ150 | Φ110 | 4-F18 | SD41-0.5 | 20 | |
| Kiểu | Truyền phát Q | cố gắng m |
Hiệu quả (%) |
Đồng bộ hóa Tốc độ quay r/phút |
Động cơ điện Quyền lực KW |
Bắt buộc cung cấp cavitation (m) |
Cài đặt bản ghi dọc | Kích thước của bơm ngang | Kích thước của mặt bích | Cách ly rung | H1 | |||||||||||||
| m³/h | L/S | H | L | h | B | C | H | h | a | L1 | L | L2 | B1 | D | D1 | n-d | Đặc điểm kỹ thuật | |||||||
| 40-200(Tôi) |
8.8 12.5 16.3 |
2.44 3.47 4.53 |
51.2 50 48 |
38 46 46 |
2900 | 5.5 | 2.3 | 580 | 345 | 95 | 130 | 80 | 400 | 220 | 100 | 535 | 590 | 340 | 340 | Φ150 | Φ110 | 4-F18 | SD41-0.5 | 20 |
| 40-200(I)A |
8.3 11.7 15.3 |
2.31 3.25 4.25 |
45 44 42 |
37 45 45 |
2900 | 4 | 2.3 | 530 | 345 | 95 | 130 | 80 | 400 | 220 | 100 | 490 | 580 | 300 | 340 | Φ150 | Φ110 | 4-F18 | SD41-0.5 | 20 |
| 40-200(I)B |
7.5 10.6 13.8 |
2.08 2.94 3.83 |
37 36 34 |
35 44 42 |
2900 | 3 | 2.3 | 500 | 345 | 95 | 130 | 80 | 410 | 230 | 100 | 490 | 550 | 300 | 340 | Φ150 | Φ110 | 4-F18 | SD41-0.5 | 20 |
| 40-250(Tôi) |
8.8 12.5 16.3 |
2.44 3.47 4.53 |
81.2 80 77.5 |
31 38 40 |
2900 | 11 | 2.3 | 675 | 440 | 100 | 160 | 100 | 495 | 270 | 100 | 640 | 735 | 430 | 430 | Φ150 | Φ110 | 4-F18 | SD41-0.5 | 20 |
| 40-250(I)A |
8.2 11.6 15.2 |
2.28 3.22 4.22 |
71 70 68 |
28 38 39 |
2900 | 7.5 | 2.3 | 585 | 440 | 100 | 160 | 100 | 480 | 255 | 100 | 540 | 645 | 340 | 380 | Φ150 | Φ110 | 4-F18 | SD41-0.5 | 20 |
| 40-250(I)B |
7.6 10.8 14 |
2.11 3 3.89 |
61.4 60 58 |
28 37 37 |
2900 | 7.5 | 2.3 | 585 | 440 | 100 | 160 | 100 | 480 | 255 | 100 | 540 | 645 | 340 | 380 | Φ150 | Φ110 | 4-F18 | SD41-0.5 | 20 |
| Kiểu | Truyền phát Q | cố gắng m |
Hiệu quả (%) |
Đồng bộ hóa Tốc độ quay r/phút |
Động cơ điện Quyền lực KW |
Bắt buộc cung cấp cavitation (m) |
Cài đặt bản ghi dọc | Kích thước của bơm ngang | Kích thước của mặt bích | Cách ly rung | H1 | |||||||||||||
| m³/h | L/S | H | L | h | B | C | H | h | a | L1 | L | L2 | B1 | D | D1 | n-d | Đặc điểm kỹ thuật | |||||||
| 40-250(I)C |
7.1 10 13.1 |
1.97 2.78 3.64 |
53.2 52 50.4 |
26 36 35 |
2900 | 5.5 | 2.3 | 585 | 440 | 100 | 160 | 100 | 480 | 255 | 100 | 540 | 645 | 340 | 380 | Φ150 | Φ110 | 4-F18 | SD41-0.5 | 20 |
| 50-100 |
8.8 12.5 16.3 |
2.44 3.47 4.53 |
13.6 12.5 11.3 |
55 62 60 |
2900 | 1.1 | 2.3 | 420 | 300 | 95 | 120 | 70 | 290 | 145 | 80 | 405 | 470 | 210 | 260 | Φ165 | Φ125 | 4-F18 | SD41-0.5 | 20 |
| 50-100A |
8 11 14.5 |
2.22 3.05 4.03 |
11 10 9 |
52 60 56 |
2900 | 0.75 | 2.3 | 420 | 300 | 95 | 120 | 70 | 290 | 145 | 80 | 405 | 470 | 210 | 260 | Φ165 | Φ125 | 4-F18 | SD41-0.5 | 20 |
| 50-125 |
8.8 12.5 16.3 |
2.44 3.47 4.53 |
21.5 20 17.8 |
49 58 57 |
2900 | 1.5 | 2.3 | 430 | 305 | 90 | 120 | 70 | 320 | 170 | 90 | 440 | 480 | 250 | 300 | Φ165 | Φ125 | 4-F18 | SD41-0.5 | 20 |
| 50-125A |
8 11 14.5 |
2.22 3.05 4.03 |
17 16 14 |
47 57 54 |
2900 | 1.1 | 2.3 | 415 | 305 | 90 | 120 | 70 | 315 | 165 | 90 | 405 | 465 | 210 | 260 | Φ165 | Φ125 | 4-F18 | SD41-0.5 | 20 |
| 50-160 |
8.8 12.5 16.3 |
2.44 3.47 4.53 |
33 32 30 |
45 52 51 |
2900 | 3 | 2.3 | 505 | 325 | 100 | 130 | 80 | 385 | 220 | 85 | 485 | 535 | 280 | 320 | Φ165 | Φ125 | 4-F18 | SD41-0.5 | 20 |
| 50-160A |
8.2 11.7 15.2 |
2.28 3.25 4.22 |
29 28 26 |
44 51 50 |
2900 | 2.2 | 2.3 | 465 | 325 | 100 | 130 | 80 | 385 | 220 | 85 | 455 | 495 | 280 | 310 | Φ165 | Φ125 | 4-F18 | SD41-0.5 | 20 |
| Kiểu | Truyền phát Q | cố gắng m |
Hiệu quả (%) |
Đồng bộ hóa Tốc độ quay r/phút |
Động cơ điện Quyền lực KW |
Bắt buộc cung cấp cavitation (m) |
Cài đặt bản ghi dọc | Kích thước của bơm ngang | Kích thước của mặt bích | Cách ly rung | H1 | |||||||||||||
| m³/h | L/S | H | L | h | B | C | H | h | a | L1 | L | L2 | B1 | D | D1 | n-d | Đặc điểm kỹ thuật | |||||||
| 50-160B |
7.3 10.4 13.5 |
2.38 2.89 2.75 |
23 22 20.5 |
42 49 47 |
2900 | 1.5 | 2.3 | 440 | 325 | 100 | 130 | 80 | 385 | 220 | 85 | 455 | 470 | 280 | 310 | Φ165 | Φ125 | 4-F18 | SD41-0.5 | 20 |
| 50-200 |
8.8 12.5 16.3 |
2.44 3.47 4.53 |
52 45 45 |
38 46 46 |
2900 | 5.5 | 2.3 | 580 | 345 | 95 | 130 | 80 | 400 | 220 | 85 | 535 | 635 | 340 | 340 | Φ165 | Φ125 | 4-F18 | SD41-0.5 | 20 |
| 50-200A |
8.3 11.7 15.3 |
2.31 3.25 4.25 |
45.8 44 42 |
37 45 45 |
2900 | 4 | 2.3 | 530 | 345 | 95 | 130 | 80 | 400 | 220 | 85 | 490 | 580 | 300 | 340 | Φ165 | Φ125 | 4-F18 | SD41-0.5 | 20 |
| 50-200b |
7.5 10.6 13.8 |
2.08 2.94 3.83 |
37 36 34 |
35 44 42 |
2900 | 3 | 2.3 | 500 | 345 | 100 | 130 | 80 | 400 | 220 | 85 | 490 | 555 | 300 | 340 | Φ165 | Φ125 | 4-F18 | SD41-0.5 | 20 |
| 50-250 |
8.8 12.5 16.3 |
2.44 3.47 4.53 |
82 80 77.5 |
29 25 40 |
2900 | 11 | 2.3 | 685 | 445 | 110 | 160 | 100 | 495 | 270 | 100 | 640 | 735 | 430 | 430 | Φ165 | Φ125 | 4-F18 | SD41-0.5 | 20 |
| 50-250A |
8.2 11.6 15.2 |
2.28 3.22 4.22 |
71.5 70 68 |
28 38 39 |
2900 | 7.5 | 2.3 | 595 | 445 | 110 | 160 | 100 | 480 | 255 | 100 | 540 | 645 | 340 | 380 | Φ165 | Φ125 | 4-F18 | SD41-0.5 | 20 |
| Kiểu | Truyền phát Q | cố gắng m |
Hiệu quả (%) |
Đồng bộ hóa Tốc độ quay r/phút |
Động cơ điện Quyền lực KW |
Bắt buộc cung cấp cavitation (m) |
Cài đặt bản ghi dọc | Kích thước của bơm ngang | Kích thước của mặt bích | Cách ly rung | H1 | |||||||||||||
| m³/h | L/S | H | L | h | B | C | H | h | a | L1 | L | L2 | B1 | D | D1 | n-d | Đặc điểm kỹ thuật | |||||||
| 50-250B |
7.6 10.8 14 |
2.11 3 3.89 |
61.4 60 58 |
28 37 37 |
2900 | 7.5 | 2.3 | 595 | 445 | 110 | 160 | 100 | 480 | 255 | 100 | 540 | 645 | 340 | 380 | Φ165 | Φ125 | 4-F18 | SD41-0.5 | 20 |
| 50-250C |
7.1 10 13.1 |
1.97 2.78 3.64 |
53.2 52 50.4 |
26 36 35 |
2900 | 5.5 | 2.3 | 595 | 445 | 110 | 160 | 100 | 480 | 255 | 100 | 540 | 645 | 340 | 380 | Φ165 | Φ125 | 4-F18 | SD41-0.5 | 20 |
| 50-100(Tôi) |
17.5 25 |
4.86 6.94 |
13.7 12.5 |
67 69 |
2900 | 1.5 | 2.5 | 440 | 320 | 100 | 160 | 100 | 370 | 210 | 95 | 440 | 510 | 300 | 350 | Φ165 | Φ125 | 4-F18 | SD41-0.5 | 20 |
| 50-100(I)A |
15.6 22.3 29 |
4.3 6.19 8.1 |
11 10 8.4 |
65 67 68 |
2900 | 1.1 | 2.5 | 425 | 320 | 100 | 160 | 100 | 370 | 210 | 95 | 440 | 470 | 250 | 300 | Φ165 | Φ125 | 4-F18 | SD41-0.5 | 20 |
| 50-125(Tôi) |
17.5 25 32.5 |
4.86 6.94 9.03 |
21.5 20 18 |
60 68 67 |
2900 | 3 | 2.5 | 480 | 345 | 105 | 160 | 100 | 365 | 220 | 105 | 455 | 555 | 280 | 310 | Φ165 | Φ125 | 4-F18 | SD41-0.5 | 20 |
| 50-125(I)A |
15.6 22.3 |
4.33 6.19 |
17 16 |
58 66 |
2900 | 2.2 | 2.5 | 480 | 345 | 105 | 160 | 100 | 365 | 220 | 105 | 455 | 515 | 280 | 310 | Φ165 | Φ125 | 4-F18 | SD41-0.5 | 20 |
| 50-160(Tôi) |
17.5 25 32.5 |
4.86 6.94 9.03 |
34.4 32 27.5 |
54 63 60 |
2900 | 4 | 2.5 | 540 | 365 | 105 | 160 | 100 | 405 | 230 | 80 | 505 | 665 | 280 | 350 | Φ165 | Φ125 | 4-F18 | SD41-0.5 | 20 |
| Kiểu | Truyền phát Q | cố gắng m |
Hiệu quả (%) |
Đồng bộ hóa Tốc độ quay r/phút |
Động cơ điện Quyền lực KW |
Bắt buộc cung cấp cavitation (m) |
Cài đặt bản ghi dọc | Kích thước của bơm ngang | Kích thước của mặt bích | Cách ly rung | H1 | |||||||||||||
| m³/h | L/S | H | L | h | B | C | H | h | a | L1 | L | L2 | B1 | D | D1 | n-d | Đặc điểm kỹ thuật | |||||||
| 50-160(I)A |
16.4 23.4 30.4 |
4.56 6.5 8.44 |
30 28 24 |
54 52 59 |
2900 | 4 | 2.3 | 540 | 365 | 105 | 160 | 100 | 405 | 230 | 80 | 505 | 665 | 300 | 350 | Φ165 | Φ125 | 4-F18 | SD41-0.5 | 20 |
| 50-160(I)B |
15 21.6 28 |
4.17 6 7.78 |
26 24 20.6 |
49 58 54 |
2900 | 3 | 2.3 | 510 | 365 | 105 | 160 | 100 | 405 | 230 | 85 | 505 | 640 | 300 | 350 | Φ165 | Φ125 | 4-F18 | SD41-0.5 | 20 |
| 50-200(Tôi) |
17.5 25 32.5 |
4.86 6.94 9.03 |
52.7 50 45.5 |
49 58 59 |
2900 | 7.5 | 2.3 | 595 | 390 | 105 | 160 | 100 | 405 | 220 | 100 | 535 | 640 | 340 | 340 | Φ165 | Φ125 | 4-F18 | SD41-0.5 | 20 |
| 50-200(I)A |
16.4 23.5 30.5 |
4.56 6.53 8.47 |
46.4 44 40 |
48 57 58 |
2900 | 7.5 | 2.3 | 595 | 390 | 105 | 160 | 100 | 405 | 220 | 100 | 535 | 640 | 340 | 340 | Φ165 | Φ125 | 4-F18 | SD41-0.5 | 20 |
| 50-200(I)B |
15.2 21.8 28.3 |
4.22 6.06 7.86 |
40 38 34.5 |
45 55 55 |
2900 | 5.5 | 2.3 | 595 | 390 | 105 | 160 | 100 | 405 | 220 | 100 | 535 | 640 | 340 | 340 | Φ165 | Φ125 | 4-F18 | SD41-0.5 | 20 |
| 50-250(Tôi) |
17.5 25 32.5 |
4.86 6.94 9.03 |
82 80 76.5 |
39 50 52 |
2900 | 15 | 2.3 | 695 | 485 | 120 | 180 | 120 | 515 | 270 | 105 | 695 | 740 | 430 | 440 | Φ165 | Φ125 | 4-F18 | SD41-0.5 | 20 |
| 50-250(I)A |
16.4 23.4 30.5 |
4.56 6.5 8.47 |
71.5 70 67 |
39 50 52 |
2900 | 11 | 2.3 | 695 | 485 | 120 | 180 | 120 | 515 | 270 | 105 | 695 | 740 | 430 | 440 | Φ165 | Φ125 | 4-F18 | SD41-0.5 | 20 |
| Kiểu | Truyền phát Q | cố gắng m |
Hiệu quả (%) |
Đồng bộ hóa Tốc độ quay r/phút |
Động cơ điện Quyền lực KW |
Bắt buộc cung cấp cavitation (m) |
Cài đặt bản ghi dọc | Kích thước của bơm ngang | Kích thước của mặt bích | Cách ly rung | H1 | |||||||||||||
| m³/h | L/S | H | L | h | B | C | H | h | a | L1 | L | L2 | B1 | D | D1 | n-d | Đặc điểm kỹ thuật | |||||||
| 50-250(I)B |
15 21.6 28 |
4.17 6 7.78 |
61 60 57.4 |
38 49 54 |
2900 | 11 | 2.3 | 695 | 485 | 120 | 180 | 120 | 515 | 270 | 105 | 695 | 740 | 430 | 440 | Φ165 | Φ125 | 4-F18 | SD41-0.5 | 20 |
| 50-315(Tôi) |
17.5 25 32.5 |
4.86 6.94 9.03 |
128 125 122 |
30 40 44 |
2900 | 30 | 2.5 | 865 | 550 | 130 | 180 | 120 | 565 | 290 | 130 | 740 | 930 | 405 | 460 | Φ165 | Φ125 | 4-F18 | SD41-0.5 | 20 |
| 50-315(I)A |
16.6 23.7 31 |
4.61 6.58 8.6 |
115 113 110 |
30 40 44 |
2900 | 22 | 2.5 | 785 | 550 | 130 | 180 | 120 | 565 | 290 | 130 | 740 | 850 | 405 | 460 | Φ165 | Φ125 | 4-F18 | SD41-0.5 | 20 |
| 50-315(I)B |
15.7 22.5 29.2 |
4.36 6.25 8 |
103 101 98 |
30 39 42 |
2900 | 18.5 | 2.5 | 785 | 550 | 130 | 180 | 120 | 565 | 290 | 130 | 740 | 850 | 405 | 460 | Φ165 | Φ125 | 4-F18 | SD41-0.5 | 20 |
| 50-315(I)C |
14.4 20.6 26.8 |
4 5.72 7.44 |
86 85 83 |
38 46 40 |
2900 | 15 | 2.5 | 705 | 550 | 130 | 180 | 120 | 565 | 290 | 130 | 740 | 770 | 405 | 460 | Φ165 | Φ125 | 4-F18 | SD41-0.5 | 20 |
| 65-100 |
17.5 25 32.5 |
4.86 6.94 9.03 |
13.7 12.5 10.5 |
67 69 69 |
2900 | 1.5 | 2.5 | 495 | 325 | 95 | 160 | 100 | 380 | 220 | 95 | 455 | 510 | 280 | 310 | Φ165 | Φ125 | 4-F18 | SD41-0.5 | 20 |