Bơm ly tâm S Split Case là máy bơm ly tâm hút đôi, nằm ngang, một tầng được thiết kế để vận chuyển nước sạch và chất lỏng có tính chất vật lý và hóa học tương tự như nước, có nhiệt độ tối đa không quá 80°C. Nó phù hợp cho cấp thoát nước trong các nhà máy, hầm mỏ, khu đô thị và nhà máy điện, thoát nước và tưới tiêu đất nông nghiệp, cũng như cho các dự án kỹ thuật thủy lực khác nhau.
Máy bơm loại S là máy bơm ly tâm nằm ngang một tầng, hai tầng, loại hở trung bình, được thiết kế để vận chuyển nước tinh khiết và các chất lỏng có tính chất lý - hóa tương tự như nước, ở nhiệt độ tối đa không quá 80°C và thích hợp cho việc cấp thoát nước tại các nhà máy, hầm mỏ, trong thành phố và các nhà máy điện, thoát nước, tưới tiêu nông nghiệp. đất cho các hoạt động thủy lực khác nhau.
Các máy bơm dòng này tuân thủ các tiêu chuẩn GB / T3216 và GB / T5657.
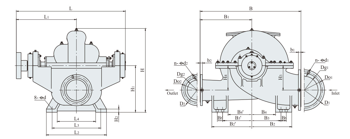
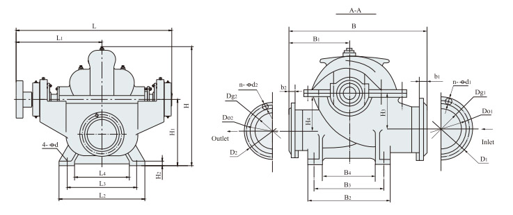
Tất cả các lối vào và ra của máy bơm đều nằm phía dưới trục, nằm ngang và vuông góc với trục, vỏ máy bơm mở ở giữa nên không cần phải tháo dỡ đường ống vào, nguồn và động cơ (hoặc động cơ sơ cấp khác). Từ quan điểm ly hợp, máy bơm di chuyển theo chiều kim đồng hồ. Máy bơm cũng có thể di chuyển ngược chiều kim đồng hồ, nhưng cần đặc biệt chú ý đến thứ tự.
Các bộ phận chính của máy bơm: thân máy bơm (1), vỏ máy bơm (2), cánh quạt (3), trục (4), vòng đệm kín hấp thụ kép (5), ống bọc ngoài (6), ổ trục (15), v.v., ngoại trừ trục được làm bằng thép carbon chất lượng cao, phần còn lại được làm bằng gang. Vật liệu này có thể được thay thế bằng vật liệu khác trên các môi trường khác nhau.
Vỏ máy bơm và vỏ máy bơm tạo thành khoang cánh quạt với các lỗ ren trên mặt bích của lối vào và lối ra để lắp đặt đồng hồ đo chân không và đồng hồ đo áp suất cũng như để thoát nước bên dưới chúng.
Bánh công tác được hiệu chỉnh theo trạng thái cân bằng tĩnh, được cố định bằng vỏ và đai ốc của vỏ ở cả hai bên, với sự trợ giúp của đai ốc, bạn có thể điều chỉnh vị trí trục của nó và cân bằng lực dọc trục với vị trí đối xứng của các cánh quạt, ổ trục hướng trục có thể chịu được lực dọc trục dư.
Trục bơm được duy trì bởi hai ổ bi ly tâm một hàng, được lắp trong vỏ ổ trục ở cả hai đầu của máy bơm và được bôi trơn bằng dầu bôi trơn. Vòng đệm hấp thụ kép được sử dụng để giảm rò rỉ trên bánh công tác. Máy bơm được điều khiển trực tiếp bằng khớp nối đàn hồi. (Nếu sử dụng ổ cao su thì phải đặt thêm giá đỡ).
Van là sự nén của chất độn, để làm mát và bôi trơn khoang kín khí cũng như ngăn không khí đi vào máy bơm giữa các chất độn, có một vòng phụ. Trong quá trình vận hành máy bơm, một lượng nhỏ nước áp suất cao đi vào khoang nạp thông qua râu hình nón và thực hiện chức năng của cửa chớp nước.
1. Việc lắp ráp các bộ phận của rôto: tuần tự trên trục của máy bơm, cánh quạt, ống bọc ngoài, đai ốc tích tắc, hộp nhồi, vòng dầu, phốt muối, phốt cơ khí, phốt cơ khí, vòng giữ nước và ổ trục, sau đó là ly hợp.
2. Kiểm tra vòng ngoài kín của bánh công tác tách biệt khỏi cột vỏ của rôto, nhịp đập xuyên tâm của nó không được vượt quá các thông số được nêu trong bảng dưới đây.
3. Rôto được lắp trên vỏ máy bơm, điều chỉnh bánh công tác sao cho vị trí trục của nó nằm ở giữa vòng đệm hấp thụ kép ở cả hai bên, sau đó cố định, sau đó cố định nắp ổ trục bằng vít bất động.
| Đường kính danh nghĩa | <50 | 50~120 | 120~250 | 250~500 | 500~800 | 800~1250 |
| Khả năng nhảy | 0.03 | 0.04 | 0.05 | 0.06 | 0.08 | 0.10 |
4. Nạp chất độn (nếu đây là chất nén của chất độn), một miếng giấy vào lỗ trung gian và nắp máy bơm, trước tiên hãy siết chặt thông của nón đuôi có ren, sau đó siết chặt đai ốc của nắp máy bơm. Đặt nắp phụ nhưng không ấn quá chặt, nếu không ống bọc có thể nóng lên, để lại nhiều năng lượng hơn; Nếu sử dụng phốt cơ khí, hãy điều chỉnh khả năng nén phốt cơ khí để đảm bảo không xảy ra rò rỉ.
Sau khi lắp ráp xong, di chuyển trục bơm bằng tay phải trơn tru, đồng đều và không chạm vào. Việc tháo dỡ có thể được thực hiện ngược lại với cách trên.
1. Kiểm tra xem máy bơm và động cơ có bị hỏng không.
2. Chiều cao lắp đặt máy bơm kết hợp với tổn thất thủy lực của đường ống hút và tốc độ của nó, tức là NPSHA của thiết bị phải lớn hơn NPSHR. Kích thước của đế phải tương ứng với kích thước lắp đặt của bộ phận bơm.
3. Quy trình cài đặt:
(1) Đặt máy bơm trên nền bê tông bằng cách sử dụng bu-lông móng tích hợp, điều chỉnh phương ngang bằng cách điều chỉnh cách đặt nêm và siết chặt bu-lông một cách chính xác để ngăn chặn sự dịch chuyển của bu-lông.
(2) Đổ bê tông giữa móng và chân máy bơm.
(3) Sau khi bê tông đông đặc, siết chặt các bu lông chân ngầm, kiểm tra lại phương ngang của máy bơm.
(4) Hiệu chỉnh độ đồng tâm giữa bơm và trục động cơ sao cho nó nằm trên một đường thẳng. Cho phép chấp nhận độ tâm khác nhau của các vòng ngoài của hai ly hợp là 0,1 mm, trong khi khoảng cách giữa một đầu và không đều xung quanh chu vi là 0,3 mm (một sửa đổi khác cũng phải đáp ứng các yêu cầu trên sau khi kết nối và vận hành nguồn cấp nước).
(5) Sau khi xác định chiều quay của động cơ tương ứng với chiều quay của bơm, lắp chốt chốt ly hợp.
4. Đường ống cấp liệu và đầu ra phải được đỡ bằng các giá đỡ riêng biệt chứ không phải thân máy bơm.
5. Việc kết nối giữa máy bơm và đường ống phải đảm bảo độ kín tốt, đặc biệt là đường ống đầu vào phải đảm bảo không rò rỉ khí và không thể tích hợp vào thiết bị.
6. Theo quy định, nếu máy bơm được lắp đặt cao hơn mực nước trong cửa hút nước, bạn có thể lắp van dưới để khởi động máy bơm và phun nước, cũng như sử dụng máy bơm chân không để xả nước.
7. Các đường ống đầu ra của máy bơm, theo quy định, yêu cầu lắp đặt van và van khóa (độ cao dưới 20 m không cần lắp đặt) và van một chiều được lắp phía sau van.
Phương pháp lắp đặt được đề cập ở trên đề cập đến máy bơm không có cơ sở xã hội.
Đối với máy bơm có đế thông thường giữa móng và bê tông, một miếng đệm sắt hình nêm được sử dụng để điều chỉnh độ cao của thiết bị, sau đó bê tông được trát giữa chúng. Nguyên tắc lắp đặt và các yêu cầu giống hệt với máy bơm không có cơ sở chung.
1. Bắt đầu và dừng lại
(1) Trước khi khởi động rôto của máy bơm chuyển động, cảm biến rôto phải nhẹ, êm, đồng đều.
(2) Đóng van xả và đổ đầy nước bằng máy bơm (trong trường hợp không có van dưới, nước được bơm ra ngoài bằng bơm chân không để dẫn nước). Đảm bảo rằng máy bơm chứa đầy nước và không có không khí.
(3) Trước khi khởi động động cơ, trước tiên hãy tắt phuộc chân không hoặc áp kế, nếu được lắp trên máy bơm, hãy kết nối với máy bơm, sau đó bật phuộc khi động cơ di chuyển ở tốc độ bình thường; Sau đó, van đầu ra dần dần mở ra, giảm ở mức tiêu thụ lớn hơn hoặc ngược lại, tăng hoặc tăng.
(4) Siết chặt đều đai ốc áp suất trên nắp phụ để tránh nhỏ giọt và chú ý đến sự gia tăng nhiệt độ bên ngoài khoang phụ.
(5) Khi máy bơm dừng, trước tiên hãy tắt nĩa của chân không hoặc áp kế và van cấp nước, sau đó tắt nguồn động cơ. Ở nhiệt độ môi trường thấp, hãy mở nút vuông dưới vỏ máy bơm và xả hết nước dư để tránh nứt băng.
(6) Trong thời gian dừng dài, tháo máy bơm và lau khô các bộ phận và bôi mỡ chống ăn mòn lên bề mặt đã xử lý.
2. Chạy
(1) Nhiệt độ tối đa của ổ trục bơm không được vượt quá 75 ° C
(2) Thể tích chất bôi trơn gốc canxi cho ổ trục bôi trơn phù hợp để duy trì 1/3 - 1/2 khoảng trống trong ổ trục.
(3) Nếu nắp bị mòn nhẹ thì phải ấn chặt nắp phớt dầu, nếu độ mòn quá lớn thì nên thay nắp phớt dầu.
(4) thường xuyên kiểm tra ly hợp đàn hồi và chú ý tăng nhiệt độ ổ trục động cơ.
(5) Trong quá trình làm việc, khi nghe thấy tiếng ồn hoặc các âm thanh bất thường khác, bạn nên dừng ngay để tìm hiểu nguyên nhân và loại bỏ.
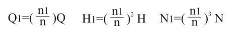
(6) Không tự ý tăng tốc độ bơm mà có thể giảm tốc độ bơm. Ví dụ, đối với loại máy bơm này, tốc độ quay định mức n, mức tiêu thụ Q, áp suất H, công suất của trục N, tốc độ giảm N1, mức tiêu thụ, áp suất và công suất của trục sau khi giảm vận tốc lần lượt là Q1, H1 và N1. Việc chuyển đổi được thực hiện theo công thức sau.
| Sự thất bại | Gây ra | khắc phục sự cố |
| 1. Máy bơm không hút nước, đồng hồ đo áp suất và chân không bị nhảy vọt |
1. Nước rừng không đủ; 2. Rò rỉ xuất phát từ đường ống hoặc quầy. |
1. Đổ thêm nước; 2. Thắt chặt hoặc chặn nơi rò rỉ. |
| 2. Máy bơm không hút nước, hiển thị độ chân không cao trên chân không. |
1. Van nhận không mở hoặc khóa; 2. Điện trở của đường ống hút quá lớn; 3. Chiều cao hấp thụ nước quá cao |
1. Sửa hoặc thay thế van đáy; 2. Rửa sạch hoặc thay thế đường ống; 3. Giảm chiều cao |
| 3. Nước không rời khỏi máy bơm, áp suất được hiển thị trên đồng hồ đo áp suất. |
1. Điện trở quá cao đối với đường ống xả nước; 2. Hướng quay không chính xác; 3. Bánh công tác bị tắc; 4. Tốc độ quay không đủ. |
1. Kiểm tra hoặc rút ngắn đường ống; 2. Đúng chiều quay động cơ 3. Cởi nó ra; 4. Kiểm tra điện áp nguồn và tăng tốc độ |
| 4. Tiêu thụ không đủ hoặc áp suất quá thấp. |
1. Một bánh xe làm việc hoặc cả hai đường ống dẫn nước vào và cuối cùng bị đóng 2. Bị mòn quá nhiều do vòng đệm hấp thụ kép hoặc làm hỏng bánh xe làm việc; 3. Tốc độ quay thấp hơn giá trị đã cho. |
1. Làm sạch bánh xe hoặc đường ống làm việc; 2. Thay thế nó; 3. Điều chỉnh nó về giá trị danh nghĩa. |
| 5. Máy bơm tiêu thụ quá nhiều điện năng |
1. Bao bì bị ép quá chặt; 2. Ma sát giữa bánh xe làm việc và vòng đệm hấp thụ kép; 3. Mức tiêu thụ quá lớn. |
1. Làm suy yếu nó; 2. Kiểm tra nguyên nhân để loại bỏ; 3. Giảm độ mở van |
| Sự thất bại | Gây ra | khắc phục sự cố |
| 6. Có âm thanh bất thường bên trong máy bơm, nước không vào máy bơm. |
1. Điện trở của đường ống hút quá lớn; 2. Chiều cao hấp thụ quá cao; 3. Không khí được hút vào vị trí hút nước 4. Nhiệt độ quá cao khi hút chất lỏng; 5. Mất hơi xảy ra do tiêu thụ quá nhiều. |
1. Chuẩn bị đường ống hút và van dưới; 2. Hạ nó xuống; 3. Kiểm tra van đáy, giảm độ cao hút, chặn nơi rò rỉ khí; 4. Gắn nó; 5. Điều chỉnh cửa xả nước sao cho hoạt động trong phạm vi hiệu suất đã đặt. |
| 7. Máy bơm rung bất thường. |
1. Trong trường hợp này xảy ra hiện tượng thất thoát hơi nước; 2. Bánh xe làm việc không cân bằng; 3. Trục của máy bơm và động cơ không đồng tâm; 4. Chiếc kẹp tóc ở chân bị yếu đi |
1. Điều chỉnh van để hoạt động trong phạm vi hiệu suất nhất định; 2. Thực hiện điều chỉnh tĩnh cho bánh xe làm việc; 3. Độ đồng tâm chính xác 4. Thắt chặt nó |
| 8. Vòng bi quá nóng |
1. Không thiếu dầu bên trong; 2. Trục của máy bơm và động cơ không nằm trên cùng một đường tâm |
1. Kiểm tra và làm sạch vỏ ổ trục, bôi trơn; 2. Hiệu chỉnh độ đồng tâm sao cho cả hai nằm trên cùng một đường tâm. |
| 1 | Thân bơm | 2 | Nhồi muối | 3 | Bưu kiện | 4 | Vòng đệm | 5 | Khớp nối bao bì | 6 | tay áo đóng gói | 7 | trục |
| 8 | Vỏ bơm | 9 | Bánh xe làm việc | 10 | Chìa khóa |
11 | Vòng hấp thụ kép | 12 | Muffle với một con dấu cơ khí | 13 | In cơ khí | 14 | Con dấu dầu niêm phong cơ khí |
| 15 | Gaet của khớp nối | 16 | Con dấu dầu mang | 17 | Vít buộc | 18 | Phớt dầu thân vòng bi | 19 | Vỏ ổ trục | 20 | Vòng bi định tâm đơn trụ | 21 | Vồ lấy |
| Loại máy bơm | Tiêu thụ Q. | Cái đầu (m) |
tốc độ (vòng/phút) |
Công suất (KW) | Hiệu quả % |
(NPSH) r (m) |
Cân nặng (kg) |
||
| (m³/h) | (L/giây) | Sức mạnh của trục |
Động cơ | ||||||
| 150S-100 |
120 160 192 |
33.3 44.4 53.3 |
103 100 92 |
2950 |
48.8 59.7 67.7 |
75 |
69 73 71 |
4.5 | 168 |
| 150S-78 |
126 160 198 |
35.0 44.4 55.0 |
84 78 70 |
2950 |
41.2 45.9 53.1 |
55 |
70 74 71 |
4.5 | 158 |
| 150S-78A |
112 140 180 |
31.1 39 50.0 |
65 60 53.5 |
2950 |
29.1 31.8 37.5 |
45 |
68 72 70 |
4.5 | 158 |
| 150S-50 |
130 160 220 |
36.1 44.4 61.1 |
52 50 40 |
2950 |
25.2 27.6 31.5 |
37 |
73 79 76 |
4.5 | 147 |
| 150S-50A |
112 140 180 |
31.1 38.9 50.0 |
42 39 34 |
2950 |
18.3 19.8 22.8 |
30 |
70 75 73 |
4.5 | 147 |
| 150S-50B |
108 133 160 |
30.0 36.9 44.4 |
38 36 32 |
2950 |
16.9 18.4 19.4 |
22 |
66 71 72 |
4.5 | 147 |
| 200S-95 |
200 280 324 |
55.6 77.8 90.0 |
102 95 85 |
2950 |
81.7 94.0 100.0 |
132 |
68 77 75 |
5 | 240 |
| 200S-95A |
180 268 310 |
50.0 74.4 86.1 |
95 87 78 |
2950 |
71.6 84.6 90.2 |
110 |
65 75 73 |
5 | 240 |
| 200S-95B |
165 245 298 |
45.8 68.1 82.8 |
81 72 60 |
2950 |
56.4 64.9 69.5 |
75 |
64.5 74 70 |
5 | 240 |
| 200S-63 |
216 280 351 |
60.0 77.8 97.5 |
70.4 63 52 |
2950 |
55.9 59.3 69.0 |
75 |
74 81 72 |
5 | 187 |
| 200S-63A |
186 270 332 |
51.7 75.0 92.2 |
56.5 48 38.5 |
2950 |
41.5 45.8 49.0 |
55 |
69 77 71 |
5 | 187 |
| 200S-42 |
216 280 342 |
60.0 77.8 95.0 |
48 42 35 |
2950 |
35.3 37.7 41.0 |
45 |
80 85 79.5 |
5 | 219 |
| 200S-42A |
198 270 310 |
55.0 75.0 86.1 |
43 36 31 |
2950 |
31.3 33.1 34.6 |
37 |
74 80 75.5 |
5 | 219 |
| 250S-65 |
360 485 612 |
100.0 134.7 170.0 |
70 65 54 |
1480 |
91.5 108.6 127.6 |
132 |
75 79 70.5 |
3.8 | 518 |
| 250s-65A |
300 420 535 |
83.3 116.7 148.6 |
53 48 40 |
1480 |
61.8 71.3 79.8 |
90 |
70 77 73 |
3.8 | 518 |
| 250S-39 |
360 485 612 |
100.0 134.7 170.0 |
43 39 32.5 |
1480 |
55.4 62.0 69.4 |
75 |
76 83 78 |
3.8 | 400 |
| 250s-39a |
324 420 576 |
90.0 116.7 160.0 |
31.5 29 22 |
1480 |
38.6 42.5 48.6 |
55 |
72 78 71 |
3.8 | 400 |
| 250S-24 |
360 485 576 |
100.0 134.7 160.0 |
27 24 19 |
1480 |
33.1 36.8 36.3 |
45 |
80 86 82 |
3.8 | 305 |
| 250S-24A |
342 420 482 |
95.0 116.7 133.9 |
22 20 17 |
1480 |
25.9 27.6 27.9 |
37 |
79 83 80 |
3.8 | 305 |
| 250S-14 |
360 485 576 |
100.0 134.7 160.0 |
14 11 |
1480 |
20.8 21.7 22.1 |
30 |
80 85 78 |
3.8 | 305 |
| 250S-14A |
320 420 505 |
88.9 116.7 140.3 |
10 12 10 8.2 |
1480 |
13.2 14.1 14.5 |
18.5 |
79 81 78 |
3.8 | 305 |
| Loại máy bơm | Tiêu thụ Q. | Cái đầu (m) |
Tốc độ (vòng/phút) |
Công suất (KW) | Hiệu quả % |
(NPSH) r (m) |
Cân nặng (kg) |
||
| (m³/h) | (L/giây) | Sức mạnh của trục | Động cơ | ||||||
| 300S-90 |
590 790 936 |
163.9 219.4 260.0 |
95 90 86 |
1480 |
224.4 251.4 277.4 |
315 |
68 77 79 |
4.8 | 950 |
| 300S-90A |
576 756 918 |
160.0 210.0 255.0 |
83 78 72 |
1480 |
200.2 216.9 239.9 |
280 |
65 74 75 |
4.8 | 950 |
| 300S-90B |
546 720 900 |
151.7 200.0 250.0 |
72 67 57 |
1480 |
169.9 185.0 194.0 |
220 |
63 71 72 |
4.8 | 950 |
| 300S-58 |
576 790 972 |
160.0 219.4 270.0 |
65 58 50 |
1480 |
135.9 148.5 165.4 |
185 |
75 84 80 |
4.8 | 599 |
| 300S-58A |
529 735 893 |
146.9 204.2 248.1 |
55 50 42 |
1480 |
110.0 122.0 129.2 |
160 |
72 82 79 |
4.8 | 599 |
| 300S-58B |
504 685 835 |
140.0 190.3 231.9 |
47.2 43 37 |
1480 |
91.2 100.2 109.2 |
132 |
71 80 77 |
4.8 | 599 |
| 300S-32 |
612 790 900 |
170.0 219.4 250.0 |
36.5 32 27.3 |
1480 |
74.2 79.1 83.6 |
90 |
82 87 80 |
4.8 | 709 |
| 300S-32A |
537 700 790 |
149.2 194.4 219.4 |
29 26 22.5 |
1480 |
53.7 59.0 62.0 |
75 |
79 84 78 |
4.8 | 709 |
| 300S-19 |
612 790 935 |
170.0 219.4 259.7 |
22 19 15.5 |
1480 |
45.8 48.4 52.6 |
55 |
80 84.5 75 |
4.8 | 434 |
| 300S-19A |
485 700 798 |
134.7 194.4 221.7 |
18 15 13 |
1480 |
32.1 35.7 37.2 |
45 |
74 80 76 |
4.8 | 434 |
| 300S-12 |
612 790 900 |
170.0 219.4 250.0 |
14.5 12 10 |
1480 |
30.2 31.1 33.1 |
37 |
80 83 74 |
4.8 | 413 |
| 300S-12A |
515 700 785 |
143.1 194.4 218.1 |
11.5 10 9 |
1480 |
22.4 24.4 25.6 |
30 |
72 78 75 |
4.8 | 413 |
| 350S-125 |
850 1260 1660 |
236.1 350.0 461.1 |
135 125 110 |
1480 |
446.3 542.7 685.6 |
710 |
70 79 72.5 |
5.5 | 1580 |
| 350S-125A |
787 1181 1550 |
218.6 328.1 430.6 |
121 112 100 |
1480 |
381.2 461.6 594.3 |
630 |
68 78 71 |
5.5 | 1580 |
| 350S-125B |
700 1098 1350 |
194.4 305.0 375.0 |
104 96 89 |
1480 |
300.3 372.7 448.0 |
500 |
66 77 73 |
5.5 | 1580 |
| 350S-75 |
972 1260 1440 |
270.0 350.0 400.0 |
80 75 69 |
1480 |
264.6 302.6 329.9 |
355 |
80 85 82 |
5.5 | 1200 |
| 350s-75a |
900 1170 1332 |
250.0 325.0 370.0 |
70 65 60 |
1480 |
219.9 252.5 275.4 |
315 |
78 82 79 |
5.5 | 1200 |
| 350s-75B |
800 1080 1200 |
222.2 300.0 333.3 |
60 55 52 |
1480 |
174.2 204.7 220.6 |
280 |
75 79 77 |
5.5 | 1200 |
| 350S-44 |
972 1260 1476 |
270.0 350.0 410.0 |
50 44 37 |
1480 |
163.3 177.6 188.2 |
220 |
81 85 79 |
5.5 | 1105 |
| 350S-44A |
876 1116 1360 |
243.3 310.0 377.8 |
41 36 30 |
1480 |
123.8 131.8 140.6 |
160 |
79 83 79 |
5.5 | 1105 |
| 350S-26 |
972 1260 1440 |
270.0 350.0 400.0 |
29 26 22 |
1480 |
93.6 101.3 102.7 |
132 |
82 88 84 |
5.5 | 672 |
| Loại máy bơm | Tiêu thụ Q. | Cái đầu (m) |
Tốc độ (vòng/phút) |
Công suất (KW) | Hiệu quả % |
(NPSH) r (m) |
Cân nặng (kg) |
||
| (m³/h) | (L/giây) | Sức mạnh của trục | Động cơ | ||||||
| 350s-26A |
840 1130 1260 |
233.3 313.9 350.0 |
24 21 19 |
1480 |
70.4 77.8 81.5 |
90 |
78 83 80 |
5.5 | 672 |
| 350S-16 |
960 1260 1440 |
266.7 350.0 400.0 |
19.5 16 13 |
1480 |
61.4 63.8 67.9 |
75 |
83 86 75 |
5.5 | 632 |
| 350S-16A |
800 1130 1340 |
222.2 313.9 372.2 |
15 12 9.5 |
1480 |
42.4 45.6 48.1 |
55 |
77 81 72 |
5.5 | 632 |
| 400S-90 |
1140 1620 1980 |
316.7 450.0 550.0 |
102 90 78 |
1480 |
403.2 461.5 512.7 |
560 |
78.5 86 82 |
7.9 | 1450 |
| 400S-90A |
1020 1460 1850 |
283.3 405.6 5139 |
89 78 66 |
1480 |
320.9 369.1 415.5 |
450 |
77 84 80 |
7.9 | 1450 |
| 400S-90B |
960 1330 1720 |
266.7 369.4 477.8 |
78 68 56 |
1480 |
268.2 300.2 336.2 |
400 |
76 82 78 |
7.9 | 1450 |
| 400S-40 |
800 1080 1320 |
222.2 300.0 366.7 |
45 40 32 |
970 |
124.1 140.0 149.3 |
185 |
79 84 77 |
4.9 | 1800 |
| 400S-40A |
720 960 1150 |
200.0 266.7 319.4 |
39.5 35 29.5 |
970 |
100.5 111.5 121.5 |
160 |
77 82 76 |
4.9 | 1800 |
| 500S-98 |
1620 2020 2340 |
450.0 561.1 650.0 |
104.5 98 92 |
970 |
598.5 673.6 741.8 |
800 |
77 80 79 |
6 | 2360 |
| 500S-98A |
1500 1872 2170 |
416.7 520.0 602.8 |
88 83 77 |
970 |
479.1 535.4 583.1 |
630 |
75 79 78 |
6 | 2360 |
| 500S-98B |
1400 1746 2020 |
388.9 485.0 561.1 |
79 74 71 |
970 |
401.4 448.1 500.5 |
560 |
75 78.5 78 |
6 | 2360 |
| 500S-59 |
1620 2020 2340 |
450.0 561.1 650.0 |
64 59 53 |
970 |
357.3 390.9 422.0 |
450 |
79 83 80 |
6 | 2150 |
| 500S-59A |
1500 1872 2170 |
416.7 520.0 602.8 |
53 49 45 |
970 |
288.6 316.1 345.2 |
400 |
75 79 77 |
6 | 2150 |
| 500S-59B |
1400 1746 2020 |
388.9 485.0 561.1 |
43 40 36.5 |
970 |
227.6 250.2 267.6 |
315 |
72 76 75 |
6 | 2150 |
| 500S-35 |
1620 2020 2340 |
450.0 561.1 650.0 |
40 35 30.5 |
970 |
207.5 218.7 228.6 |
280 |
85 88 85 |
6 | 1600 |
| 500S-35A |
1400 1746 2020 |
388.9 485.0 561.1 |
30 27 24 |
970 |
139.4 151.0 159.0 |
220 |
82 85 83 |
6 | 1600 |
| 500S-22 |
1620 2020 2340 |
450.0 561.1 650.0 |
24.5 22 19.4 |
970 |
136.8 144.0 145.4 |
160 |
79 84 85 |
6 | 1722 |
| 500S-22A |
1400 1746 2020 |
388.9 485.0 561.1 |
19 17 15 |
970 |
97.9 101.0 101.8 |
132 |
74 80 81 |
6 | 1722 |
| 500S-13 |
1620 2020 2340 |
450.0 561.1 650.0 |
15 13 10 |
970 |
82.7 86.1 81.7 |
110 |
80 83 78 |
6 | 1730 |
| 600S-100 |
2160 3170 3600 |
600.0 880.6 1000.0 |
110 100 92 |
970 |
829.2 1015.2 1073.3 |
1400 |
78 85 84 |
6 | 7200 |
| 600S-100A |
1980 3000 3240 |
550.0 833.3 900.0 |
100 90 85 |
970 |
700.0 875.0 914.3 |
1120 |
77 84 82 |
6 | 7200 |
| Loại máy bơm | Tiêu thụ Q. | Cái đầu (m) |
Tốc độ (vòng/phút) |
Công suất (KW) | Hiệu quả % |
(NPSH) r (m) |
Cân nặng (kg) |
||
| (m³/h) | (L/giây) | Sức mạnh của trục | Động cơ | ||||||
| 600S-100B |
1800 2830 3060 |
500.0 786.1 850.0 |
90 80 75 |
970 |
588.0 751.6 780.9 |
1000 |
75 82 80 |
6 | 7200 |
| 600S-75 |
2160 3170 3600 |
600.0 880.6 1000.0 |
84 75 68 |
970 |
633.2 761.4 802.9 |
900 |
78 85 83 |
7.5 | 2600 |
| 600S-75A |
1980 2880 3240 |
550.0 800.0 900.0 |
68 62 58 |
970 |
488.7 607.6 655.8 |
800 |
75 80 78 |
7.5 | 2600 |
| 600S-75B |
1750 2650 3150 |
486.1 736.1 875.0 |
60 55 50 |
970 |
408.3 508.7 579.4 |
630 |
70 78 74 |
7.5 | 2600 |
| 600S-47 |
2160 3170 3600 |
600.0 880.6 1000.0 |
54 47 43 |
970 |
401.9 460.9 507.7 |
560 |
79 88 83 |
7.5 | 2800 |
| 600S-47A |
1980 2920 3240 |
550.0 811.1 900.0 |
45 40 37 |
970 |
311.0 369.7 398.0 |
450 |
78 82 |
7.5 | 2800 |
| 600S-32 |
2160 3170 3600 |
600.0 880.6 1000.0 |
36 32 29 |
970 |
271.4 313.8 334.4 |
400 |
78 88 85 |
7.5 | 2300 |
| 600S-32A |
2000 2880 3240 |
555.6 800.0 900.0 |
30 27 25 |
970 |
214.9 246.1 262.5 |
280 |
76 86 84 |
7.5 | 2300 |
| 600S-32B |
1800 2628 3000 |
500.0 730.0 833.3 |
24.5 22 20 |
970 |
164.5 187.4 199.2 |
250 |
73 84 82 |
7.5 | 2300 |
| 600S-22 |
2520 3170 3600 |
700.0 880.6 1000.0 |
25 22 19 |
970 |
204.2 215.7 227.1 |
250 |
84 88 82 |
7 | 2300 |
| 600S-22A |
2160 2880 3240 |
600.0 800.0 900.0 |
21 18 16 |
970 |
152.4 162.2 170.0 |
185 |
81 87 83 |
7 | 2300 |
| 800S-22 |
4320 5500 6480 |
1200.0 1527.8 1800.0 |
25 22 19 |
730 |
358.5 370.1 389.7 |
450 |
82 89 86 |
7 | 3800 |
|
3000 4400 5040 |
8333 1222.2 1400.0 |
16 14 12.5 |
585 |
163.3 190.6 201.8 |
250 |
80 88 85 |
5 | 3800 | |
| 800S-22A |
3960 4830 5500 |
1100.0 1341.7 1527.8 |
19 17 15 |
730 |
246.8 254.0 261.1 |
315 |
83 88 86 |
7 | 3800 |
|
2800 3870 4500 |
777.8 1075.0 1250.0 |
12.5 11 9.5 |
585 |
119.1 133.2 138.5 |
185 |
80 87 84 |
5 | 3800 | |
| 800S-32 |
4320 5500 6480 |
1200.0 1527.8 1800.0 |
35 32 29 |
730 |
502.0 538.3 588.0 |
630 |
82 89 87 |
7 | 4900 |
|
3000 4400 5200 |
833.3 12222 1444.4 |
23 20 17 |
585 |
234.8 272.2 283.1 |
315 |
80 88 85 |
4.5 | 4900 | |
| 800S-32A |
3500 4950 6000 |
972.2 1375.0 1666.7 |
29.5 26 23 |
730 |
351.3 398.1 436.8 |
500 |
80 88 86 |
7 | 4900 |
|
2700 3960 4680 |
750.0 1100.0 1300.0 |
19 16.5 14 |
585 |
174.6 204.4 212.3 |
250 |
80 87 84 |
4.5 | 4900 | |
| 800S-47 |
4320 5500 6480 |
1200.0 1527.8 1800.0 |
51 47 42 |
730 |
722.6 781.9 841.9 |
1000 |
83 90 88 |
6.5 | 5000 |
|
3000 4400 5200 |
833.3 1222.2 1444.4 |
35 30 26 |
585 |
357.3 403.7 428.0 |
500 |
80 89 86 |
4 | 5000 | |
| thập niên 800-47a |
3500 5070 6000 |
972.2 1408.3 1666.7 |
45 40 36 |
730 |
529.3 620.3 683.7 |
710 |
81 89 86 |
6.5 | 5000 |
|
2800 4060 4800 |
777.8 1127.8 1333.3 |
30 25 22 |
585 |
285.8 314.0 334.3 |
355 |
80 88 86 |
4 | 5000 | |
| Loại máy bơm | Tiêu thụ Q. |
Cái đầu (m) |
Tốc độ (vòng/phút) |
Công suất (KW) | Hiệu quả % |
(NPSH) r (m) |
Cân nặng (kg) |
||
| (m³/h) | (L/giây) | Sức mạnh của trục | Động cơ | ||||||
| 800S-70 |
6100 8100 9300 |
1694.4 2250.0 2583.3 |
90 83 75 |
730 |
1868.1 2153.1 2260.4 |
2500 |
80 85 84 |
9 | 8000 |
| 800S-70A |
5800 7700 8800 |
1611.1 2138.9 2444.4 |
82 75 68.5 |
730 |
1628.5 1871.5 2001.2 |
2240 |
79.5 84 82 |
9 | 8000 |
| 800S-70B |
5500 7300 8400 |
1527.8 2027.8 2333.3 |
73.5 68 62 |
730 |
1393.0 1628.1 1772.2 |
1800 |
79 83 80 |
9 | 8000 |
| 800S-76 |
4000 5500 6500 |
1111.1 1527.8 1805.6 |
80 76 71 |
730 |
1102.7 1293.1 1444.0 |
1600 |
79 88 87 |
6 | 7550 |
|
3000 4400 5500 |
833.3 1222.2 1527.8 |
54 49 43 |
585 |
551.3 674.6 757.4 |
800 |
80 87 85 |
4 | 7550 | |
| 800S-76A |
3500 5080 6000 |
972.2 1411.1 1666.7 |
69 65 61 |
730 |
832.2 1033.2 1186.1 |
1250 |
79 87 84 |
6 | 7550 |
|
2800 4070 5000 |
777.8 1130.6 1388.9 |
46.5 42 37 |
585 |
448.6 541.1 606.8 |
630 |
79 86 83 |
4 | 7550 | |
| 800S-76B |
3000 4680 5500 |
833.3 1300.0 1527.8 |
59 55 51 |
730 |
642.4 824.4 920.0 |
1000 |
75 85 83 |
6 | 7550 |
|
2500 3750 4500 |
694.4 1041.7 1250.0 |
39 35 31 |
585 |
349.2 425.3 468.8 |
500 |
76 84 81 |
4 | 7550 | |
| 800S-105 |
3850 5500 6600 |
1069.4 1527.8 1833.3 |
110 105 100 |
730 |
1441.1 1807.0 2089.1 |
2500 |
80 87 86 |
6.5 | 8000 |
| 900S-23 |
6200 8280 9432 |
1722.2 2300.0 2620.0 |
28 23 19.5 |
730 |
590.7 602.8 610.6 |
710 |
80 86 82 |
9.3 | 6000 |
| 1000S-36 |
7920 9900 11380 |
2200.0 2750.0 3161.1 |
40 36 33 |
495 |
1039.0 1102.5 1202.7 |
1250 |
83 88 85 |
7.8 | 13000 |
| 1200S-24 |
8400 12000 14400 |
2333.3 3333.3 4000.0 |
28 24 18.5 |
590 |
748.8 901.1 906.5 |
1250 |
85.5 87 80 |
7.7 | 9000 |
| 1200S-39 |
7200 9000 10800 |
2000.0 2500.0 3000.0 |
42.5 39 33 |
500 |
1015.9 1085.8 1155.0 |
1250 |
82 88 84 |
5.5 | - |
| 1200s-39a |
6480 8100 9720 |
1800.0 2250.0 2700.0 |
38.5 35 29.5 |
500 |
848.9 892.2 940.4 |
1120 |
80 86.5 83 |
5.5 | - |
| 1200s-39B |
5832 7290 8748 |
1620.0 2025.0 2430.0 |
34 31 26 |
500 |
674.7 715.3 755.1 |
900 |
80 86 82 |
5.5 | - |
| 1200S-56 |
8640 10800 12960 |
2400.0 3000.0 3600.0 |
60 56 49 |
600 |
1721.0 1870.9 2033.8 |
2240 |
82 88 85 |
7.5 | - |
| 1200S-56A |
7776 9720 11664 |
2160.0 2700.0 3240.0 |
54 50 42 |
600 |
1411.2 1520.7 1606.7 |
2000 |
81 87 83 |
7.5 | - |
| 1200S-56B |
7000 8750 10500 |
1944.4 2430.6 2916.7 |
48 44 27/3 |
600 |
1143.3 1218.7 1289.7 |
1600 |
80 86 82 |
7.5 | - |
| 1200S-76 |
8640 10800 12960 |
2400.0 3000.0 3600.0 |
81.5 76 65 |
730 |
2216.0 2482.7 2620.8 |
2800 |
86.5 90 87.5 |
9 | 13000 |
| 1200S-76A |
7776 9720 11664 |
2160.0 2700.0 3240.0 |
6a 0+ 55 |
730 |
1703.5 1924.4 2054.5 |
2240 |
84.5 88 85 |
9 | 13000 |
| 1200S-76B |
7000 8750 10500 |
1944.4 2430.6 2916.7 |
55 52 45 |
730 |
1270.4 1440.2 1531.3 |
1600 |
82.5 86 84 |
9 | 13000 |
| Kiểu | Kích thước của hình máy bơm | Kích thước của mặt bích đầu vào | Kích thước của mặt bích đầu ra | |||||||||||||||||||||||||
| L | L1 | L2 | L3 | L4 | B | B1 | B2 | B3 | B3' | B4 | B4' | H | H1 | H2 | H3 | H4 | 4-φd | Dg1 | Do1 | D1 | B1 | n-φd1 | DG2 | Do2 | D2 | B2 | n-φd2 | |
| 150S-100 | 740.5 | 410 | 330 | 280 | 190 | 550 | 250 | 330 | 280 | — | 190 | — | 490 | 285 | 25 | 140 | 170 | 4-F18 | 150 | 240 | 285 | 26 | 8-F23 | 100 | 180 | 220 | 24 | 8-F19 |
| 150S-78 | 713.5 | 397 | 330 | 280 | 190 | 550 | 250 | 330 | 280 | — | 190 | — | 472.5 | 285 | 25 | 140 | 155 | 4-F18 | 150 | 240 | 285 | 26 | 8-F23 | 100 | 180 | 220 | 24 | 8-F19 |
| 150S-78A | ||||||||||||||||||||||||||||
| 150S-50 | 713.5 | 397 | 330 | 280 | 190 | 550 | 250 | 330 | 280 | — | 190 | — | 455 | 285 | 25 | 140 | 140 | 4-F18 | 150 | 240 | 285 | 26 | 8-F23 | 100 | 180 | 220 | 24 | 8-F19 |
| 150S-50A | ||||||||||||||||||||||||||||
| 150S-50B | ||||||||||||||||||||||||||||
| 200S-95 | 850.5 | 475 | 330 | 280 | 190 | 680 | 330 | 330 | 280 | — | 190 | — | 555 | 355 | 25 | 170 | 170 | 4-F18 | 200 | 295 | 340 | 24 | 8-F23 | 125 | 210 | 250 | 22 | 8-F19 |
| 200S-95A | ||||||||||||||||||||||||||||
| 200S-95B | ||||||||||||||||||||||||||||
| 200S-63 | 743.5 | 409 | 330 | 280 | 190 | 620 | 300 | 330 | 280 | — | 190 | — | 547 | 355 | 25 | 170 | 170 | 4-F18 | 200 | 295 | 340 | 24 | 8-F23 | 150 | 240 | 285 | 24 | 8-F23 |
| 200S-63A | ||||||||||||||||||||||||||||
| 200S-42 | 743.5 | 409 | 330 | 280 | 190 | 620 | 300 | 330 | 280 | — | 190 | — | 547 | 355 | 25 | 170 | 170 | 4-F18 | 200 | 295 | 340 | 24 | 8-F23 | 150 | 240 | 285 | 24 | 8-F23 |
| 200S-42A | ||||||||||||||||||||||||||||
| 250S-65 | 1100.5 | 612 | 510 | 450 | 330 | 880 | 400 | 620 | 550 | — | 430 | — | 856 | 510 | 40 | 240 | 300 | 4-F27 | 250 | 350 | 395 | 28 | 12-F23 | 150 | 240 | 285 | 26 | 8-F23 |
| 250s-65A | ||||||||||||||||||||||||||||
| 250S-39 | 983.5 | 549 | 410 | 350 | 230 | 890 | 440 | 510 | 450 | — | 330 | — | 750 | 450 | 30 | 200 | 260 | 4-F27 | 250 | 350 | 395 | 28 | 12-F23 | 200 | 295 | 340 | 26 | 8-F23 |
| 250s-39a | ||||||||||||||||||||||||||||
| 250S-24 | 983.5 | 517 | 410 | 350 | 230 | 850 | 400 | 510 | 450 | — | 330 | — | 738 | 4450 | 30 | 210 | 215 | 4-F27 | 250 | 350 | 395 | 28 | 12-F23 | 200 | 295 | 340 | 26 | 8-F23 |
| 250S-24A | ||||||||||||||||||||||||||||
| 250S-14 | 892.5 | 485 | 410 | 350 | 230 | 745 | 330 | 510 | 450 | — | 330 | — | 709 | 450 | 30 | 210 | 215 | 4-F27 | 250 | 350 | 395 | 28 | 12-F23 | 200 | 295 | 340 | 26 | 8-F23 |
| 250S-14A | ||||||||||||||||||||||||||||
| Kiểu | Kích thước của hình máy bơm | Kích thước của mặt bích đầu vào | Kích thước của mặt bích đầu ra | |||||||||||||||||||||||||
| L | L1 | L2 | L3 | L4 | B | B1 | B2 | B3 | B3' | B4 | B4' | H | H1 | H2 | H4 | 4-φd | Dg1 | Do1 | D1 | B1 | n-φd1 | DG2 | Do2 | D2 | B2 | n-φd2 | ||
| 300S-90 | 1185 | 660 | 510 | 450 | 330 | 1046 | 470 | 620 | 550 | — | 420 | — | 898 | 510 | 40 | 268 | 325 | 4-F27 | 300 | 400 | 440 | 28 | 12-F23 | 200 | 295 | 340 | 26 | 8-F23 |
| 300S-90A | ||||||||||||||||||||||||||||
| 300S-90B | ||||||||||||||||||||||||||||
| 300S-58 | 1140 | 630 | 510 | 450 | 330 | 1070 | 530 | 620 | 550 | — | 430 | — | 852 | 510 | 40 | 240 | 310 | 4-F27 | 300 | 400 | 445 | 28 | 12-F23 | 250 | 350 | 395 | 28 | 12-F23 |
| 300S-58A | ||||||||||||||||||||||||||||
| 300S-58B | ||||||||||||||||||||||||||||
| 300S-32 | 1100 | 605 | 510 | 450 | 330 | 880 | 410 | 620 | 550 | — | 430 | — | 824 | 510 | 40 | 260 | 270 | 4-F27 | 300 | 400 | 445 | 28 | 12-F23 | 250 | 350 | 395 | 28 | 12-F23 |
| 300S-32A | ||||||||||||||||||||||||||||
| 300S-19 | 978.5 | 537 | 510 | 450 | 330 | 900 | 400 | 620 | 550 | — | 430 | — | 808 | 510 | 40 | 250 | 260 | 4-F27 | 300 | 400 | 445 | 28 | 12-F23 | 250 | 350 | 395 | 28 | 12-F23 |
| 300S-19A | ||||||||||||||||||||||||||||
| 300S-12 | 1009 | 552 | 510 | 450 | 330 | 1000 | 500 | 620 | 550 | — | 430 | — | 808 | 510 | 40 | 265 | 265 | 4-F27 | 300 | 400 | 445 | 28 | 12-F23 | 300 | 400 | 445 | 28 | 12-F23 |
| 300S-12A | ||||||||||||||||||||||||||||
| 350S-125 | 1431 | 801 | 580 | 500 | 360 | 1210 | 550 | 680 | 600 | — | 450 | — | 1080 | 620 | 50 | 330 | 410 | 4-F34 | 350 | 460 | 505 | 30 | 16-F23 | 200 | 295 | 340 | 26 | 12-F23 |
| 350S-125A | ||||||||||||||||||||||||||||
| 350S-125B | ||||||||||||||||||||||||||||
| 350S-75 | 1272 | 710 | 600 | 500 | 360 | 1250 | 600 | 690 | 600 | — | 450 | — | 1017 | 620 | 50 | 274 | 356 | 4-F34 | 350 | 460 | 505 | 30 | 16-F23 | 250 | 350 | 395 | 28 | 12-F23 |
| 350s-75a | ||||||||||||||||||||||||||||
| 350s-75B | ||||||||||||||||||||||||||||
| 350S-44 | 1233 | 675 | 580 | 500 | 360 | 1040 | 460 | 680 | 600 | — | 450 | — | 980 | 620 | 50 | 290 | 300 | 4-F34 | 350 | 460 | 505 | 30 | 16-F23 | 300 | 400 | 445 | 28 | 12-F23 |
| 350S-44A | ||||||||||||||||||||||||||||
| 350S-26 | 1171 | 642 | 580 | 500 | 360 | 1040 | 460 | 680 | 600 | — | 450 | — | 963 | 620 | 50 | 290 | 300 | 4-F34 | 350 | 460 | 505 | 30 | 16-F23 | 300 | 400 | 445 | 28 | 12-F23 |
| 350s-26A | ||||||||||||||||||||||||||||
| 350S-16 | 1129 | 622 | 580 | 500 | 360 | 1168 | 584 | 680 | 600 | — | 450 | — | 970 | 620 | 50 | 310 | 310 | 4-F34 | 350 | 460 | 505 | 30 | 16-F23 | 350 | 460 | 505 | 30 | 16-F23 |
| 350S-16A | ||||||||||||||||||||||||||||
| Kiểu | Kích thước của hình máy bơm | Kích thước của mặt bích đầu vào | Kích thước của mặt bích đầu ra | |||||||||||||||||||||||||
| L | L1 | L2 | L3 | L4 | B | B1 | B2 | B3 | B3' | B4 | B4' | H | H1 | H2 | H3 | H4 | 4-φd | Dg1 | Do1 | D1 | B1 | n-φd1 | DG2 | Do2 | D2 | B2 | n-φd2 | |
| 400S-90 | 1747 | 907 | 820 | 700 | 480 | 1645 | 900 | 900 | 700 | — | 500 | — | 1130 | 670 | 40 | 372 | 482 | 4-F35 | 400 | 515 | 565 | 32 | 16-F28 | 350 | 460 | 505 | 30 | 16-F23 |
| 400S-90A | ||||||||||||||||||||||||||||
| 400S-90B | ||||||||||||||||||||||||||||
| 400S-40 | 1747 | 907 | 820 | 700 | 480 | 1645 | 900 | 900 | 700 | — | 500 | — | 1130 | 670 | 40 | 372 | 482 | 4-F35 | 400 | 515 | 565 | 32 | 16-F28 | 350 | 460 | 505 | 30 | 16-F23 |
| 400S-40A | ||||||||||||||||||||||||||||
| 500S-98 | 1639.5 | 912 | 760 | 580 | 420 | 1550 | 750 | 1020 | 800 | — | 580 | — | 1381 | 800 | 55 | 425 | 545 | 4-F41 | 500 | 620 | 670 | 34 | 20-F28 | 300 | 410 | 460 | 32 | 12-F28 |
| 500S-98A | ||||||||||||||||||||||||||||
| 500S-98B | ||||||||||||||||||||||||||||
| 500S-59 | 1639.5 | 907 | 760 | 580 | 420 | 1640 | 810 | 1020 | 800 | — | 580 | — | 1300 | 800 | 55 | 370 | 480 | 4-F41 | 500 | 620 | 670 | 34 | 20-F28 | 350 | 460 | 505 | 30 | 16-F23 |
| 500S-59A | ||||||||||||||||||||||||||||
| 500S-59B | ||||||||||||||||||||||||||||
| 500S-35 | 1363.5 | 756 | 760 | 580 | 420 | 1350 | 630 | 1020 | 800 | — | 580 | — | 1270 | 800 | 55 | 415 | 415 | 4-F41 | 500 | 620 | 670 | 34 | 20-F28 | 350 | 460 | 505 | 30 | 16-F23 |
| 500S-35A | ||||||||||||||||||||||||||||
| 500S-22 | 1396.5 | 770 | 760 | 580 | 420 | 1460 | 640 | 1020 | 800 | — | 580 | — | 1266 | 800 | 55 | 410 | 410 | 4-F41 | 500 | 620 | 670 | 34 | 20-F28 | 400 | 515 | 565 | 32 | 16-F28 |
| 500S-22A | ||||||||||||||||||||||||||||
| 500S-13 | 1308.5 | 714.5 | 760 | 580 | 420 | 1550 | 775 | 1020 | 800 | — | 580 | — | 1251 | 800 | 55 | 410 | 410 | 4-F41 | 500 | 620 | 670 | 34 | 20-F28 | 500 | 620 | 670 | 34 | 20-F28 |
| 600S-100 | 1935 | 1100 | 960 | 760 | 560 | 1900 | 900 | 1300 | 1000 | — | 700 | — | 1610 | 950 | 55 | 530 | 590 | 4-F42 | 600 | 725 | 780 | 36 | 20-F31 | 400 | 525 | 580 | 38 | 16-F31 |
| 600S-100A | ||||||||||||||||||||||||||||
| 600S-100B | ||||||||||||||||||||||||||||
| 600S-75 | 1694.5 | 940 | 940 | 760 | 600 | 1900 | 940 | 1020 | 800 | — | 580 | — | 1550 | 950 | 55 | 425 | 555 | 4-F41 | 600 | 725 | 780 | 36 | 20-F31 | 400 | 515 | 565 | 32 | 16-F28 |
| 600S-75A | ||||||||||||||||||||||||||||
| 600S-47 | 1694.5 | 940 | 940 | 760 | 600 | 1595 | 745 | 1020 | 800 | — | 580 | — | 1505 | 950 | 55 | 490 | 490 | 4-F41 | 600 | 725 | 780 | 36 | 20-F31 | 400 | 515 | 565 | 32 | 16-F28 |
| Kiểu | Kích thước của hình máy bơm | Kích thước của mặt bích đầu vào | Kích thước của mặt bích đầu ra | |||||||||||||||||||||||||
| L | L1 | L2 | L3 | L4 | B | B1 | B2 | B3 | B3' | B4 | B4' | H | H1 | H2 | H3 | H4 | 4-φd | Dg1 | Do1 | D1 | B1 | n-φd1 | DG2 | Do2 | D2 | B2 | n-φd2 | |
| 600S-32 | 1627.5 | 900 | 940 | 760 | 600 | 1600 | 750 | 1020 | 800 | — | 580 | — | 1490 | 950 | 55 | 480 | 480 | 4-F41 | 600 | 725 | 780 | 36 | 20-F31 | 500 | 620 | 670 | 34 | 20-F28 |
| 600S-32A | ||||||||||||||||||||||||||||
| 600S-32B | ||||||||||||||||||||||||||||
| 600S-22 | 1466.5 | 805 | 940 | 760 | 600 | 1790 | 840 | 1020 | 800 | — | 580 | — | 1476 | 950 | 55 | 460 | 460 | 4-F41 | 600 | 725 | 780 | 36 | 20-F31 | 500 | 620 | 670 | 34 | 20-F28 |
| 600S-22A | ||||||||||||||||||||||||||||
| 800S-105 | 2435 | 1367.5 | 1300 | 1000 | 700 | 2400 | 1100 | 1700 | 1350 | — | 1000 | — | 2190 | 1250 | 55 | 700 | 800 | 4-F58 | 800 | 950 | 1015 | 44 | 24-F33 | 600 | 770 | 840 | 48 | 20-F37 |
| 800S-76 | 2271 | 1270 | 1300 | 1000 | 700 | 2350 | 1150 | 1700 | 1350 | — | 1000 | — | 2105 | 1250 | 55 | 700 | 745 | 4-F58 | 800 | 950 | 1015 | 44 | 24-F33 | 600 | 725 | 780 | 36 | 20-F30 |
| 800S-70 | 2550 | 1445 | 1300 | 1000 | 700 | 2385 | 1100 | 1700 | 1350 | — | 1000 | — | 2200 | 1250 | 55 | 700 | 880 | 4-F58 | 800 | 950 | 1015 | 44 | 24-F34 | 600 | 725 | 780 | 36 | 20-F31 |
| 800S-47 | 2315 | 1300 | 1200 | 1000 | 800 | 2025 | 875 | 1200 | 900 | 600 | 2074 | 1200 | 55 | 660 | 660 | 4-F42 | 800 | 950 | 1015 | 44 | 24-F33 | 600 | 725 | 780 | 36 | 20-F30 | ||
| 800S-32 | 3750 | 2050 | 1200 | 1000 | 800 | 2150 | 1000 | 1200 | 900 | — | 600 | — | 2044 | 1200 | 55 | 660 | 660 | 4-F42 | 800 | 950 | 1015 | 44 | 24-F33 | 600 | 725 | 780 | 36 | 20-F30 |
| 800S-22 | 2100 | 1244 | 1200 | 1000 | 800 | 2150 | 1000 | 1200 | 900 | — | 600 | — | 2014 | 1200 | 55 | 660 | 660 | 4-F42 | 800 | 950 | 1015 | 44 | 24-F33 | 600 | 725 | 780 | 36 | 20-F30 |
| 900S-23 | 2730 | 1350 | 1200 | 1000 | 700 | 2400 | 840 | 1200 | 900 | — | 600 | — | 2400 | 1400 | 60 | 840 | 760 | 4-F42 | 900 | 1050 | 1115 | 44 | 28-F34 | 700 | 840 | 895 | 40 | 24-F31 |
| 1000S-36 | 3550 | 2000 | 1550 | 1400 | 1000 | 2900 | 1360 | 1900 | 1200 | — | 900 | — | 2750 | 1600 | 70 | 860 | 760 | 4-F42 | 1000 | 1160 | 1230 | 50 | 28-F37 | 800 | 950 | 1015 | 44 | 24-F34 |
| Kiểu | Kích thước của hình máy bơm | Kích thước của mặt bích đầu vào | Kích thước của mặt bích đầu ra | ||||||||||||||||||||||||||||
| L | L1 | L2 | L3 | L4 | B | B1 | B2 | B2' | B3 | B3' | B4 | B4' | B5 | B5' | H | H1 | H2 | H3 | H4 | 4-φd | Dg1 | Do1 | D1 | B1 | n-φd1 | DG2 | Do2 | D2 | B2 | n-φd2 | |
| 1200S-24 | 2480 | 1370 | 1450 | 1200 | 950 | 3000 | 1400 | 1000 | 1000 | 700 | 700 | 600 | 600 | 200 | 200 | 2700 | 1700 | 60 | 850 | 975 | 8-F42 | 1200 | 1380 | 1455 | 56 | 32-F40 | 1000 | 1160 | 1230 | 50 | 28-F37 |
| 1200S-39 | 3295 | 1700 | 1680 | 1250 | 900 | 2800 | 1250 | 1100 | 1100 | 875 | 875 | 790 | 790 | 150 | 150 | 2700 | 1650 | 80 | 870 | 1020 | 8-F48 | 1200 | 1380 | 1455 | 56 | 32-F40 | 1000 | 1160 | 1230 | 50 | 28-F37 |
| 1200s-39a | |||||||||||||||||||||||||||||||
| 1200s-39B | |||||||||||||||||||||||||||||||
| 1200S-56 | 3295 | 1700 | 1680 | 1250 | 900 | 2800 | 1250 | 1100 | 1100 | 875 | 875 | 790 | 790 | 150 | 150 | 2700 | 1650 | 80 | 870 | 1020 | 8-F48 | 1200 | 1380 | 1455 | 56 | 32-F40 | 1000 | 1160 | 1230 | 50 | 28-F37 |
| 1200S-56A | |||||||||||||||||||||||||||||||
| 1200S-56B | |||||||||||||||||||||||||||||||
| 1200S-76 | 2840 | 1500 | 1750 | 1500 | 1250 | 2800 | 1250 | 1100 | 900 | 850 | 650 | 750 | 550 | 150 | 150 | 2700 | 1650 | 80 | 870 | 950 | 8-F48 | 1200 | 1380 | 1455 | 56 | 32-F40 | 1000 | 1160 | 1230 | 50 | 28-F37 |
| 1200S-76A | |||||||||||||||||||||||||||||||
| 1200S-76B | |||||||||||||||||||||||||||||||
| Kiểu | C | Động cơ | Kích thước động cơ | Kích thước móng |
E | H1 | L | t | Mặt bích ống Gloric | |||||||||||||
| Loại động cơ | Quyền lực (KW) |
Điện áp (V) |
L1 | h | H | L2 | L3 | L4 | P | B | n1-φd1 | D2 | Do2 | DG2 | B2 | n2-φd2 | ||||||
| 150S-100 | 4 | Y280S-2 | 75 | 380 | 1000 | 640 | 280 | 550 | 550 | 1375 | 75 | 457 | 6-F20 | 300 | 425 | 1723 | 350 | 150 | 280 | 240 | 24 | 8-F23 |
| 150S-78 | 4 | Y250M-2 | 55 | 380 | 930 | 575 | 250 | 520 | 520 | 1294 | 75 | 406 | 6-F20 | 300 | 425 | 1640 | 350 | 150 | 280 | 240 | 24 | 8-F23 |
| 150S-78A | 4 | Y225M-2 | 45 | 380 | 815 | 530 | 225 | 480 | 480 | 1195 | 356 | 1525 | ||||||||||
| 150S-50 | 4 | Y200L2-2 | 37 | 380 | 775 | 475 | 200 | 470 | 470 | 1170 | 100 | 380 | 6-F20 | 300 | 425 | 1484 | 350 | 150 | 280 | 240 | 24 | 8-F23 |
| 150S-50A | 4 | Y200L1-2 | 30 | 380 | 775 | 475 | 200 | 470 | 470 | 1170 | 1484 | |||||||||||
| 150S-50B | 4 | Y180M-2 | 22 | 380 | 670 | 430 | 180 | 450 | 450 | 1095 | 1379 | |||||||||||
| 200S-63 | 4 | Y280S-2 | 75 | 380 | 1000 | 640 | 280 | 570 | 570 | 1372 | 75 | 457 | 6-F20 | 350 | 495 | 1750 | 350 | 200 | 335 | 295 | 26 | 8-F23 |
| 200S-63A | 4 | Y250M-2 | 55 | 380 | 930 | 575 | 250 | 550 | 550 | 1308 | 406 | 1680 | ||||||||||
| 200S-42 | 4 | Y225M-2 | 45 | 380 | 815 | 530 | 225 | 460 | 460 | 1212 | 75 | 400 | 6-F20 | 350 | 495 | 1564 | 350 | 200 | 335 | 295 | 26 | 8-F23 |
| 200S-42A | 4 | Y200L2-2 | 37 | 380 | 775 | 475 | 200 | 480 | 480 | 1184 | 280 | 1524 | ||||||||||
| 250S-39 | 4 | Y280S-4 | 75 | 380 | 1000 | 640 | 280 | 620 | 620 | 1565 | 65 | 450 | 6-F25 | 300 | 610 | 1931 | 450 | 250 | 390 | 350 | 28 | 12-F23 |
| 250s-39a | 4 | Y250M-4 | 55 | 380 | 930 | 575 | 250 | 550 | 550 | 1417 | 560 | 6-F20 | 590 | 1861 | 350 | |||||||
| 250S-24 | 4 | Y225M-4 | 45 | 380 | 845 | 530 | 225 | 520 | 520 | 1400 | 120 | 450 | 6-F20 | 300 | 590 | 1784 | 350 | 250 | 390 | 350 | 28 | 12-F23 |
| 250S-24A | 4 | Y225S-4 | 37 | 380 | 820 | 530 | 225 | 550 | 550 | 1375 | 1759 | |||||||||||
| 250S-14 | 4 | Y200L-4 | 30 | 380 | 775 | 475 | 200 | 520 | 520 | 1306 | 120 | 450 | 6-F20 | 300 | 590 | 1654 | 350 | 250 | 390 | 350 | 28 | 12-F23 |
| 250S-14A | 4 | Y180M-4 | 18.5 | 380 | 670 | 430 | 180 | 520 | 520 | 1234 | 1549 | |||||||||||
| 300S-32 | 4 | Y280M-4 | 90 | 380 | 1050 | 640 | 280 | 740 | 740 | 1710 | 150 | 560 | 6-F20 | 300 | 690 | 2150 | 350 | 300 | 440 | 400 | 28 | 12-F23 |
| 300S-32A | 4 | Y280S-4 | 75 | 380 | 1000 | 640 | 280 | 740 | 740 | 1660 | 2100 | |||||||||||
| 300S-19 | 4 | Y250M-4 | 55 | 380 | 930 | 575 | 250 | 600 | 600 | 1525 | 165 | 550 | 6-F20 | 300 | 670 | 1922 | 350 | 300 | 440 | 400 | 28 | 12-F23 |
| 300S-19A | 4 | Y225M-4 | 45 | 380 | 845 | 530 | 225 | 590 | 590 | 1460 | 1837 | |||||||||||
| 300S-12 | 4 | Y225S-4 | 37 | 380 | 820 | 530 | 225 | 600 | 600 | 1450 | 165 | 550 | 6-F20 | 670 | 1827 | 350 |
|
|||||
| 300S-12A | 4 | Y200L-4 | 30 | 380 | 775 | 475 | 200 | 580 | 580 | 1415 | 1782 | |||||||||||
| Kiểu | C | Động cơ | Kích thước động cơ | E | L | L2 | Mặt bích ống Gloric | |||||||||||
| Loại động cơ | Quyền lực (KW) |
Điện áp (V) |
L1 | H | h | B | A | n-φd1 | DG2 | D2 | Do2 | B2 | n-φd2 | |||||
| 150S-100 | 4 | Y280S-2 | 75 | 380 | 1000 | 280 | 640 | 368 | 457 | 4-F24 | 300 | 150 | 280 | 240 | 24 | 8-F23 | ||
| 150S-78 | Y250M-2 | 55 | 380 | 930 | 250 | 575 | 349 | 406 | 4-F24 | 1647.5 | 569 | |||||||
| 150S-78A | Y225M-2 | 45 | 815 | 225 | 530 | 311 | 356 | 4-F19 | 1532.5 | 520 | ||||||||
| 150S-50 | 4 | Y200L2-2 | 37 | 380 | 775 | 200 | 475 | 305 | 318 | 4-F19 | 300 | 1492.5 | 504 | |||||
| 150S-50A | Y200L1-2 | 30 | 775 | 200 | 475 | 305 | 318 | 4-F19 | 1492.5 | 504 | ||||||||
| 150S-50B | Y180M-2 | 22 | 670 | 180 | 430 | 241 | 279 | 4-F15 | 1387.5 | 492 | ||||||||
| 200S-95 | 4 | Y315m-2 | 132 | 380 | 1310 | 315 | 865 | 457 | 508 | 4-F28 | 375 | 2164.5 | 695 | 200 | 335 | 295 | 26 | 8-F23 |
| 200S-95A | Y315S-2 | 110 | 1240 | 315 | 865 | 406 | 508 | 4-F28 | 2094.5 | 695 | ||||||||
| 200S-95B | Y280S-2 | 75 | 1000 | 280 | 640 | 368 | 457 | 4-F24 | 1854.5 | 669 | ||||||||
| 200S-63 | 4 | Y280S-2 | 75 | 380 | 1000 | 280 | 640 | 368 | 457 | 4-F24 | 350 | 1747.5 | 603 | 200 | 335 | 295 | 26 | 8-F23 |
| 200S-63A | Y250M-2 | 55 | 930 | 250 | 575 | 349 | 406 | 4-F24 | 1677.5 | 581 | ||||||||
| 200S-42 | 4 | Y225M-2 | 45 | 380 | 815 | 225 | 530 | 311 | 356 | 4-F19 | 350 | 1562.5 | 532 | 200 | 335 | 295 | 26 | 8-F23 |
| 200S-42A | Y200L2-2 | 37 | 775 | 200 | 475 | 305 | 318 | 4-F19 | 1522.5 | 516 | ||||||||
| 250S-65 | 4 | Y315m-4 | 132 | 380 | 1340 | 315 | 865 | 457 | 508 | 4-F28 | 500 | 2444.5 | 777 | 250 | 390 | 350 | 28 | 12-F23 |
| 250s-65A | Y280M-4 | 90 | 1050 | 280 | 640 | 419 | 457 | 4-F24 | 2154.5 | 721 | ||||||||
| 250S-3g | 4 | Y280S-4 | 75 | 380 | 1000 | 280 | 640 | 368 | 457 | 4-F24 | 300 | 1987.5 | 711 | 250 | 390 | 350 | 28 | 12-F23 |
| 250s-39a | Y250M-4 | 55 | 930 | 250 | 575 | 349 | 406 | 4-F24 | 1917.5 | 689 | ||||||||
| 250S-24 | 4 | Y225M-4 | 45 | 380 | 845 | 225 | 530 | 311 | 356 | 4-F19 | 300 | 1787.5 | 635 | 250 | 390 | 350 | 28 | 12-F23 |
| 250S-24A | Y225S-4 | 37 | 820 | 225 | 530 | 286 | 356 | 4-F19 | 1762.5 | |||||||||
| 250S-14 | 4 | Y200L-4 | 30 | 380 | 775 | 200 | 475 | 305 | 318 | 4-F19 | 1671.5 | 557 | ||||||
| 250S-14A | Y180M-4 | 18.5 | 670 | 180 | 430 | 241 | 279 | 4-F15 | 1566.5 | 545 | ||||||||
| 300S-90 | 5 | Y3554-4 | 315 | 6000 | 1820 | 355 | 780 | 900 | 630 | 4-F28 | 500 | 2998.5 | 949 | 300 | 440 | 400 | 28 | 12-F23 |
| Kiểu | C | Động cơ | Kích thước động cơ |
E | L | L2 | Mặt bích ống Gloric | |||||||||||
| Loại động cơ | Quyền lực (KW) |
Điện áp (V) |
L1 | H | h | B | A | n-φd1 | DG2 | D₂ | Do2 | B2 | n-φd2 | |||||
| 300S-90A | 5 | Y3553-4 | 280 | 6000 | 1820 | 355 | 780 | 900 | 630 | 4-F28 | 500 | 2998.5 | 949 | 300 | 440 | 400 | 28 | 12-F23 |
| 300S-90B | Y3551-4 | 220 | 1820 | 355 | 780 | 900 | 630 | 4-F28 | 2998.5 | |||||||||
| 300S-58 | 4 | Y315l2-4 | 200 | 380 | 1340 | 315 | 865 | 508 | 508 | 4-F28 | 300 | 2483.5 | 795 | 300 | 440 | 400 | 28 | 12-F23 |
| 300S-58A | Y315l1-4 | 160 | 1340 | 315 | 865 | 508 | 508 | 4-F28 | 2483.5 | |||||||||
| 300S-58B | Y315m-4 | 132 | 1340 | 315 | 865 | 457 | 508 | 4-F28 | 2483.5 | |||||||||
| 300S-32 | 4 | Y280M-4 | 90 | 380 | 1050 | 280 | 640 | 419 | 457 | 4-F24 | 300 | 2153.5 | 714 | 300 | 440 | 400 | 28 | 12-F23 |
| 300S-32A | Y280S-4 | 75 | 1000 | 280 | 640 | 368 | 457 | 4-F24 | 2103.5 | |||||||||
| 300S-19 | 4 | Y250M-4 | 55 | 380 | 930 | 250 | 575 | 349 | 406 | 4-F24 | 300 | 1912.5 | 624 | 300 | 440 | 400 | 28 | 12-F23 |
| 300S-19A | Y225M-4 | 45 | 845 | 225 | 530 | 311 | 356 | 4-F19 | 1827.5 | 605 | ||||||||
| 300S-12 | 4 | Y225S-4 | 37 | 380 | 820 | 225 | 530 | 286 | 356 | 4-F19 | _ | 1832.5 | 620 | _ | _ | _ | _ | _ |
| 300S-12A | Y200L-4 | 30 | 775 | 200 | 475 | 305 | 318 | 4-F19 | 1787.5 | 574 | ||||||||
| 350S-125 | 7 | Y4502-4 | 710 | 6000 | 2080 | 450 | 935 | 1120 | 800 | 4-F35 | 750 | 3517.5 | 1123 | 350 | 520 | 470 | 38 | 16-F25 |
| 350S-125A | Y4501-4 | 630 | 2080 | 450 | 935 | 1120 | 800 | 4-F35 | 3517.5 | 1123 | ||||||||
| 350S-125B | Y4004-4 | 500 | 1940 | 400 | 835 | 1000 | 710 | 4-F35 | 3377.5 | 1103 | ||||||||
| 350S-75 | 5 | Y4001-4 | 355 |
6000 6000 6000 |
1940 | 400 | 835 | 1000 | 710 | 4-F35 | 500 | 3191.5 | 980 | 350 | 500 | 460 | 30 | 16-F23 |
| 350s-75a | Y3553-4 | 280 | 1820 | 355 | 780 | 900 | 630 | 4-F28 | 3071.5 | 960 | ||||||||
| 350s-75B | Y3551-4 | 220 | 1820 | 355 | 780 | 900 | 630 | 4-F28 | 3071.5 | 960 | ||||||||
| 350S-44 | 5 | Y3551-4 | 220 | 6000 | 1820 | 355 | 780 | 900 | 630 | 4-F28 | 300 | 3057.5 | 955 | 350 | 500 | 460 | 30 | 16-F23 |
| 350S-44A | Y315l1-4 | 160 | 380 | 1340 | 315 | 865 | 508 | 508 | 4-F28 | 2577.5 | 856 | |||||||
| 350S-26 | 4 | Y315m-4 | 132 | 380 | 1340 | 315 | 865 | 457 | 508 | 4-F28 | 300 | 2514.5 | 726 | 350 | 500 | 460 | 30 | 16-F23 |
| 350s-26A | Y280M-4 | 90 | 380 | 1050 | 280 | 640 | 419 | 457 | 4-F24 | 2224.5 | 706 | |||||||
| Kiểu | C | Động cơ | Kích thước động cơ | E | L | L2 | Mặt bích ống Gloric | |||||||||||
| Loại động cơ | Quyền lực (KW) |
Điện áp (V) |
L1 | H | h | B | A | n-φd1 | DG2 | D2 | Do2 | B2 | n-φd2 | |||||
| 350S-16 | 4 | Y280S-4 | 75 | 380 | 1000 | 280 | 640 | 368 | 457 | 4-F24 | _ | 2132.5 | 684 | _ | _ | _ | _ | _ |
| 350S-16A | Y250s-4 | 55 | 380 | 930 | 250 | 575 | 349 | 406 | 4-F24 | 2062.5 | 1169 | |||||||
| 500S-98 | 7 | Y5002-6 | 800 | 6000 | 2550 | 500 | 1040 | 1250 | 900 | 4-F42 | 1000 | 4196.5 | 1354 | 500 | 670 | 620 | 34 | 20-F25 |
| 500S-98A | Y4504-6 | 630 | 6000 | 2120 | 450 | 935 | 1120 | 800 | 4-F35 | 3766.5 | 1234 | |||||||
| 500S-98B | Y4503-6 | 560 | 6000 | 2120 | 450 | 935 | 1120 | 800 | 4-F35 | 3766.5 | 1234 | |||||||
| 500S-59 | 7 | Y4501-6 | 450 | 6000 | 2120 | 450 | 935 | 1120 | 800 | 4-F35 | 800 | 3766.5 | 1229 | 500 | 670 | 620 | 34 | 20-F25 |
| 500S-59A | Y4005-6 | 400 | 6000 | 1940 | 400 | 835 | 1000 | 710 | 4-F35 | 3586.5 | 1169 | |||||||
| 500S-59B | Y4003-6 | 315 | 6000 | 1940 | 400 | 835 | 1000 | 710 | 4-F35 | 3586.5 | 1169 | |||||||
| 500S-35 | 6 | Y4002-6 | 280 | 6000 | 1940 | 400 | 835 | 1000 | 710 | 4-F35 | 800 | 3309.5 | 1017 | 500 | 670 | 620 | 34 | 20-F25 |
| 500S-35A | Y3553-6 | 220 | 6000 | 1820 | 355 | 780 | 900 | 630 | 4-F28 | 3189.5 | 997 | |||||||
| 500S-22 | 6 | Y3553-6 | 220 | 6000 | 1820 | 355 | 780 | 900 | 630 | 4-F28 | 600 | 3221.5 | 1010 | 500 | 670 | 620 | 34 | 20-F25 |
| 500S-22A | Y315l2-6 | 132 | 380 | 1340 | 315 | 865 | 508 | 508 | 4-F28 | 2741.5 | 871 | |||||||
| 500S-13 | 5 | Y315l1-6 | 110 | 380 | 1340 | 315 | 860 | 508 | 508 | 4-F28 | _ | 2653.5 | 815.5 | _ | _ | _ | _ | _ |
| 600S-75 | 7 | Y5003-6 | 900 | 6000 | 2550 | 500 | 1040 | 1250 | 900 | 4-F42 | 600 | 4251.5 | 1292 | 500 | 670 | 620 | 34 | 20-F25 |
| 600S-75A | Y5002-6 | 800 | 6000 | 2550 | 500 | 1040 | 1250 | 900 | 4-F42 | 4251.5 | 1292 | |||||||
| 600S-47 | 7 | Y4503-6 | 560 | 6000 | 2120 | 450 | 935 | 1120 | 800 | 4-F35 | 600 | 3821.5 | 1172 | 500 | 670 | 620 | 34 | 20-F25 |
| 600S-32 | 6 | Y4005-6 | 400 | 6000 | 1940 | 400 | 835 | 1000 | 710 | 4-F35 | _ | 3573.5 | 1053 | _ | _ | _ | _ | _ |
| 600S-32A | Y4002-6 | 280 | 6000 | 1940 | 400 | 835 | 1000 | 710 | 4-F35 | 3555.5 | 1053 | |||||||
| 600S-32B | 6 | Y3554-6 | 250 | 6000 | 1820 | 355 | 780 | 900 | 630 | 4-F32 | _ | 3435.5 | 1013 | _ | _ | _ | _ | _ |
| 600S-22 | Y3554-6 | 250 | 6000 | 1820 | 355 | 780 | 900 | 630 | 4-F32 | 3292.5 | 956 | |||||||
| 600S-22A | Y3553-6 | 220 | 6000 | 1820 | 355 | 780 | 900 | 630 | 4-F28 | 3292.5 | 956 | |||||||
| Kiểu | C | Động cơ | Kích thước động cơ | E | L | L2 | Mặt bích ống Gloric | |||||||||||
| Loại động cơ | Quyền lực (KW) |
Điện áp (V) |
L1 | H | h | B | A | n-φd1 | DG2 | D2 | Do2 | B2 | n-φd2 | |||||
| 800S-22 | 6 | Y450-8 | 450 | 380 | 2080 | 450 | 1650 | 1120 | 800 | 4-F35 | 800 | 4190 | 1191 | 800 | 1015 | 950 | 42 | 24-F33 |
| Y450-10 | 250 | 2080 | 450 | 1650 | 1120 | 800 | 4-F35 | 4190 | 1191 | |||||||||
| 800S-22A | Y450-8 | 315 | 2080 | 450 | 1650 | 1120 | 800 | 4-F35 | 4190 | 1191 | ||||||||
| Y355l-10 | 185 | 1590 | 355 | 990 | 630 | 610 | 4-F28 | 3700 | 1050 | |||||||||
| Y450-10 | 200 | 2080 | 450 | 1650 | 1120 | 800 | 4-F35 | 4190 | 1191 | |||||||||
| 800S-32 | 7 | Y500-8 | 630 | 6000 | 2220 | 500 | 1900 | 1250 | 900 | 4-F42 | 4530 | 1457 | ||||||
| Y450-10 | 315 | 2080 | 450 | 1650 | 1120 | 800 | 4-F35 | 4390 | 1337 | |||||||||
| 800S-32A | Y450-8 | 450 | 2080 | 450 | 1650 | 1120 | 800 | 4-F35 | 4390 | 1337 | ||||||||
| Y450-10 | 250 | 2080 | 450 | 1650 | 1120 | 800 | 4-F35 | 4390 | 1337 | |||||||||
| 800S-47 | 8 | Y1000-8/1180 | 1000 | 2480 | 930 | 1690 | 1800 | 1400 | 4-F48 | 4990 | 1368 | |||||||
| Y500-10 | 450 | 2220 | 500 | 1900 | 1250 | 900 | 4-F42 | 4730 | 1593 | |||||||||
| thập niên 800-47a | Y500-8 | 710 | 2220 | 500 | 1900 | 1250 | 900 | 4-F42 | 4730 | 1593 | ||||||||
| Y450-10 | 355 | 2080 | 450 | 1650 | 1120 | 800 | 4-F35 | 4590 | 1473 | |||||||||
| 800S-76 | Y1600-8/1430 | 1600 | 2690 | 950 | 1860 | 1900 | 1750 | 4-F48 | 1000 | 4970 | 1423 | |||||||
| Y800-10/1180 | 800 | 2380 | 930 | 1690 | 1700 | 1400 | 4-F48 | 4660 | 1343 | |||||||||
| 800S-76A | Y1250-8/1430 | 1250 | 2540 | 930 | 1860 | 1800 | 1750 | 4-F48 | 4820 | 1373 | ||||||||
| Y500-10 | 630 | 2220 | 500 | 1900 | 1250 | 900 | 4-F42 | 4500 | 1568 | |||||||||
| 800S-76B | Y1000-8/1180 | 1000 | 2480 | 930 | 1690 | 1800 | 1400 | 4-F48 | 4760 | 1343 | ||||||||
| Y500-10 | 500 | 2220 | 500 | 1900 | 1250 | 900 | 4-F42 | 4500 | 1568 | |||||||||
| Kiểu | Động cơ | Van chân P=0,25MPa |
Máy lọc nước (Mã số) |
Thiết bị truyền động P = 1MPA |
Van kiểm tra P = 1MPA |
truyện tranh nôn mửa ống (mã) |
Sự thành lập (Mã số) |
B4201 | |
| Kiểu | Quyền lực (KW) |
Chìa khóa móc | |||||||
| (Mã số) | |||||||||
| 150S-100 | Y280S-2 | 75 | Φ150 | — | Φ150 | Φ150 | Z100×10-150×10 | 150S100-Y280S-2 | 4552 |
| 150S-78 | Y250M-2 | 55 | Φ150 | — | Φ150 | Φ150 | Z100×10-150×10 | 150S78-Y250M-2 | 4552 |
| 150S-78A | Y225M-2 | 45 | 150S78-Y225M-2 | ||||||
| 150S-50 | Y200L2-2 | 37 | Φ150 | — | Φ150 | Φ150 | Z100×10-150×10 | 150S50-Y200L-2 | 4552 |
| 150S-50A | Y200L1-2 | 30 | |||||||
| 150S-50B | Y180M-2 | 22 | 150S50-Y180M-2 | ||||||
| 200S-95 | Y315m-2 | 132 | Φ200 | — | Φ200 | Φ200 | Z125×10-200×10 | 200S95-y315m-2 | 6872 |
| 200S-95A | Y315S-2 | 110 | 200S95-Y315S-2 | ||||||
| 200S-95B | Y280S-2 | 75 | 200S95-Y280S-2 | ||||||
| 200S-63 | Y280S-2 | 75 | Φ200 | — | Φ200 | Φ200 | Z150×10-200×10 | 200S63-Y280S-2 | 4552 |
| 200S-63A | Y250M-2 | 55 | 200S63-Y250M-2 | ||||||
| 200S-42 | Y225M-2 | 45 | Φ200 | — | Φ200 | Φ200 | Z150×10-200×10 | 200S42-y225m-2 | 4552 |
| 200S-42A | Y200L2-2 | 37 | 200S42-Y200L-2 | ||||||
| 250S-65 | Y315m-4 | 132 | Φ250 | — | Φ 250 | Φ250 | Z150×10-250×10 | 250s65-y315m-4 | 7885 |
| 250s-65A | Y280M-4 | 90 | 250S65-Y280M-4 | ||||||
| 250S-39 | Y280S-4 | 75 | Φ250 | Φ250 | Φ250 | Z200×10-250×10 | 250s39-y280s-4 | 6872 | |
| 250s-39a | Y250M-4 | 55 | Φ250 | — | Φ250 | Φ250 | Z200×10-250×10 | D250S-39a-y250m-4 | 6872 |
| 250S-24 | Y225M-4 | 45 | Φ250 | — | Φ250 | Φ250 | Z200×10-250×10 | 250s24-y225m-4 | 6872 |
| 250S-24A | Y225S-4 | 37 | 250s24-y225s-4 | ||||||
| 250S-14 | Y200L-4 | 30 | Φ250 | — | Φ250 | — | Z200×10-250×10 | 250S14-Y200L-4 | 4552 |
| 250S-14A | Y180M-4 | 18.5 | 250S14-Y180M-4 | ||||||
| 300S-90 | Y355l-4 | 315 | Φ300 | — | Φ300 | Φ300 | Z200×10-300×10 | 300S90-Y355L(M) | 9095 |
| 300S-90A | Y355l-4 | 280 | |||||||
| 300S-90B | Y355m-4 | 220 | |||||||
| 300S-58 | Y315l2-4 | 200 | Φ300 | — | Φ300 | Φ300 | Z250×10-300×10 | 300S58-Y315L-4 | 7885 |
| 300S-58A | Y315l1-4 | 160 | |||||||
| 300S-58B | Y315m-4 | 132 | 300S58-Y315M-4 | ||||||
Lưu ý: nón thùng và cờ lê móc là các phụ kiện của máy bơm, các phụ kiện khác có thể được cung cấp theo yêu cầu của đơn đặt hàng.
| Kiểu | Động cơ | Van chân P=0,25MPa |
Máy lọc nước (Mã số) |
Thiết bị truyền động P = 1MPA |
Van kiểm tra P = 1MPA |
truyện tranh nôn mửa ống (mã) |
Sự thành lập (Mã số) |
B4201 | |
| Kiểu | Quyền lực (KW) |
Chìa khóa móc | |||||||
| (Mã số) | |||||||||
| 300S-32 | Y280M-4 | 90 | Φ300 | — | Φ300 | Φ300 | Z250×10-300×10 | 300S32-Y280M-4 | 7885 |
| 300S-32A | Y280S-4 | 75 | 300S32-Y280S-4 | ||||||
| 300S-19 | Y250M-4 | 55 | Φ300 | — | Φ300 | Φ300 | Z250×10-300×10 | 300S19-Y250M-4 | 6872 |
| 300S-19A | Y225M-4 | 45 | 300S19-Y225M-4 | ||||||
| 300S-12 | Y225S-4 | 37 | Φ300 | — | Φ300 | — | — | 300S12-Y225S-4 | 6872 |
| 300S-12A | Y200L-4 | 30 | 300S12-Y200L-4 | ||||||
| 350S-125 | Y4502-4 | 710 | — | L350 (73) |
Φ350 | Φ350 | Z200×16-350×16 | — | 100110 |
| 350S-125A | Y4501-4 | 630 | |||||||
| 350S-125B | Y4004-4 | 500 | |||||||
| 350S-75 | Y4001-4 | 365 | — | L350 (73) |
Φ350 | Φ350 | Z250×10-350×10 | — | 9095 |
| 350s-75a | Y355l-4 | 280 | 350S75-Y355(M)L-4 | ||||||
| 350s-75B | Y355m-4 | 220 | |||||||
| 350S-44 | Y355m-4 | 220 | — | L350 (73) |
Φ350 | Φ350 | Z300×10-350×10 | 350S44-Y355M(L)-4 | 9095 |
| 350S-44A | Y315l1-4 | 160 | 350S44-Y315L-4 | ||||||
| 350S-26 | Y315m-4 | 132 | L350 (73) |
Φ350 | Φ350 | Z300×10-350×10 | 350s26-y315m-4 | 7885 | |
| 350s-26A | Y280M-4 | 90 | 350s26-y280m-4 | ||||||
| 350S-16 | Y280S-4 | 75 | — | L350 (73) |
Φ500 | — | — | 350S16-Y280S-4 | 6872 |
| 350S-16A | Y250M-4 | 55 | 350S16-Y250M-4 | ||||||
| 500S-98 | Y5002-6 | 800 | — | L500 (73) |
Φ500 | Φ500 | — | — | 135145 |
| 500S-98A | Y5001-6 | 710 | |||||||
| 500S-98B | Y4503-6 | 560 | |||||||
| 500S-59 | Y4501-6 | 450 | — | L500 (73) |
Φ500 | Φ500 | Z350×10-500×10 | — |
100110 115130 |
| 500S-59A | Y4005-6 | 400 | |||||||
| 500S-59B | Y4003-6 | 315 | |||||||
| 500S-35 | Y4002-6 | 280 | — | L500 (73) |
Φ500 | Φ500 | Z350×10-500×10 | — | 9095 |
| 500S-35A | Y3553-6 | 220 | |||||||
| 500S-22 | Y3553-6 | 220 | — | L500 (73) |
Φ500 | Φ500 | — | — | 7885 |
| 500S-22A | Y315l2-6 | 132 | 500S22-Y315L-6 | ||||||
Lưu ý: nón thùng và cờ lê móc là các phụ kiện của máy bơm, các phụ kiện khác có thể được cung cấp theo yêu cầu của đơn đặt hàng.
| Kiểu | Động cơ | Van chân P=0,25MPa |
Máy lọc nước (Mã số) |
Thiết bị truyền động P = 1MPA |
Van kiểm tra P = 1MPA |
truyện tranh nôn mửa ống (mã) |
Sự thành lập (Mã số) |
B4201 | |
| Kiểu | Quyền lực (KW) |
Chìa khóa móc | |||||||
| (Mã số) | |||||||||
| 500S-13 | Y355l1-6 | 110 | — | L500 (73) | Φ500 | Φ500 | — | — | 7885 |
| 600S-75 | Y5003-6 | 900 | — | L600 (73) |
Φ500 | Φ500 | Z400×10-500×10 | — | 135145 |
| 600S-75A | Y5002-6 | 800 | |||||||
| 600S-47 | Y4503-6 | 560 | — | L600(73) | Φ500 | Φ500 | Z400×10-500×10 | — | 135145 |
| 600S-32 | Y4005-6 | 400 | — | L600 (73) |
Φ500 | Φ500 | — | — |
100110 115130 |
| 600S-32A | Y4002-6 | 280 | |||||||
| 600S-32B | Y3554-6 | 250 | |||||||
| 600S-22 | Y3554-6 | 250 | — | L600 (73) |
Φ500 | Φ500 | — | — | 9095 |
| 600S-22A | Y3553-6 | 220 | |||||||
| 800S-22 | Y450-8 | 450 | — | L800 | Φ600 | Φ600 | — | — | 9095 |
| Y450-10 | 250 | ||||||||
| 800S-22A | Y450-8 | 315 | |||||||
| Y355l-10 | 185 | ||||||||
| Y450-10 | 200 | ||||||||
| 800S-32 | Y500-8 | 630 | — | L800 | Φ600 | Φ600 | — | — | 100110 |
| Y450-10 | 315 | ||||||||
| 800S-32A | Y450-8 | 450 | |||||||
| Y500-10 | 250 | ||||||||
| 800S-47 | Y1000-8/1180 | 1000 | — | L800 | Φ600 | Φ600 | — | — | 135145 |
| Y500-10 | 450 | ||||||||
| thập niên 800-47a | Y500-8 | 710 | |||||||
| Y450-10 | 355 | ||||||||
| 800S-76 | Y1600-8/1430 | 1600 | — | L800 | Φ800 | Φ800 | — | — | 135145 |
| Y800-10/1180 | 800 | ||||||||
| 800S-76A | Y1250-8/1430 | 1250 | |||||||
| Y500-10 | 630 | ||||||||
| 800S-76B | Y1000-8/1180 | 1000 | |||||||
| Y500-10 | 500 | ||||||||
Lưu ý: nón thùng và cờ lê móc là các phụ kiện của máy bơm, các phụ kiện khác có thể được cung cấp theo yêu cầu của đơn đặt hàng.