Cánh quạt và cánh quạt của máy bơm nước thải bằng gang đúc WQAS của máy mài chất lượng cao ZEN được làm bằng thép không gỉ có độ crom cao 420 với độ cứng HRC49-52 và có khả năng chống mài mòn tốt.
![]() |
Đế cáp nhựa epoxy Lõi cáp nhựa epoxy có thể ngăn hơi ẩm xâm nhập vào động cơ qua đường lõi. |
![]() |
Gang đúc chính xác chất lượng cao Bắt đầu từ 3kw, sử dụng 3 vòng bi nặng Thép nguội 800# tĩnh điện |
![]() |
Tự động cắt bảo vệ nhiệt Tự động tắt bộ bảo vệ nhiệt Tính năng tắt bộ bảo vệ nhiệt tự động được kích hoạt và tự động cắt điện khi động cơ hoạt động bất thường và quá mức. |
![]() |
Phốt cơ khí Phốt cơ khí kép bao gồm hai phốt nối tiếp. Phớt cơ khí chống mài mòn cao cấp được làm bằng cacbua silic đảm bảo hiệu quả bịt kín tốt nhất. |
cánh quạt máy cắt có vòng cắt
1. Cánh quạt được thiết kế không bị tắc, kết cấu hợp lý
2. Chất liệu của cánh quạt và vòng dao là thép không gỉ crôm cao 420, độ cứng HRC49 - 52, có khả năng chống mài mòn tốt.
1. Động cơ điện bằng đồng chất lượng cao 100%.
2. Vít thép không gỉ.
3. Máy cắt mạ thép không gỉ / thép không gỉ 304 #.
4. Thiết kế từ hai đến ba phốt cơ khí.
5. Stator thép tấm.
6. Gang cho HT200/250 chất lượng cao.
7. Thép nguội #600 - 800, tuổi thọ cao hơn, nhiệt độ động cơ thấp hơn.
8. Vòng bi chất lượng cao.
9. Thiết kế đầu bơm hoàn hảo để duy trì hiệu suất ổn định
|
|
Dự án | Ghi chú |
| Hạn chế sử dụng | Nhiệt độ chất lỏng. | 0 ~ 40°C (32 ~ 104°F) |
| Ứng dụng | Nước thải sinh hoạt/công nghiệp | |
| Kiểu | Tính thường xuyên | 50HZ hoặc 60HZ |
| Động cơ điện | 2P(2900RPM hoặc 3450RPM) | |
| Vật liệu cách nhiệt | loại F | |
| Sự bảo vệ | IP68 | |
| Hậu vệ | Bộ ngắt mạch bảo vệ nhiệt một pha (ba pha không) | |
| mang | Loại bi, 2 - 3 vòng bi nặng | |
| Phốt cơ khí | Con dấu M. đôi | |
| Bánh xe | Cơn lốc + máy cắt |
| Người mẫu | Điện | Đầu tối đa | Lưu lượng tối đa | Giảm giá | ||
| kw | HP | M | m³/h | inch | mm | |
| 50WQ10-10-1.1AS | 1.1 | 1.5 | 16 | 20 | 2" | 50 |
| 50WQ15-15-1.5AS | 1.5 | 2 | 19 | 24 | 2" | 50 |
| 50WQ15-20-2.2AS | 2.2 | 3 | 33 | 28 | 2" | 50 |
| 50WQ15-26-3AS | 3 | 4 | 32 | 35 | 2" | 50 |
| 50WQ15-30-4AS | 4 | 5.5 | 31 | 34 | 2" | 50 |
| 65WQ25-10-1.5AS | 1.5 | 2 | 17 | 40 | 2,5" | 65 |
| 65WQ25-15-2.2AS | 2.2 | 3 | 23 | 47 | 2,5" | 65 |
| 65WQ25-20-3AS | 3 | 4 | 26 | 49 | 2,5" | 65 |
| 65WQ25-26-4AS | 4 | 5.5 | 34 | 57 | 2,5" | 65 |
| 65WQ25-30-5.5AS | 5.5 | 7.5 | 36 | 63 | 2,5" | 65 |
| 65WQ25-35-7.5AS | 7.5 | 10 | 39 | 65 | 2,5" | 65 |
| 65WQ30-58-18.5AS | 18.5 | 25 | 59 | 80 | 2,5" | 65 |
| 80WQ40-10-2.2AS | 2.2 | 3 | 17 | 59 | 3" | 80 |
| 80WQ40-15-3AS | 3 | 4 | 21 | 63 | 3" | 80 |
| 80WQ40-20-4AS | 4 | 5.5 | 25 | 72 | 3" | 80 |
| 80WQ45-22-5.5AS | 5.5 | 7.5 | 31 | 82 | 3" | 80 |
| 80WQ45-25-7.5AS | 7.5 | 10 | 37 | 93 | 3" | 80 |
| 80WQ45-46-15AS | 15 | 20 | 57 | 104 | 3" | 80 |
| 80WQ45-52-18.5AS | 18.5 | 25 | 61 | 106 | 3" | 80 |
| 80WQ45-58-22AS | 22 | 30 | 74 | 110 | 3" | 80 |
| 100WQ60-9-3AS | 3 | 4 | 19 | 70 | 4" | 100 |
| 100WQ60-13-4AS | 4 | 5.5 | 27 | 93 | 4" | 100 |
| 100WQ65-15-5.5AS | 5.5 | 7.5 | 21 | 102 | 4" | 100 |
| 100WQ80-35-15AS | 15 | 20 | 51 | 153 | 4" | 100 |
| 100WQ100-13-7.5AS | 7.5 | 10 | 28 | 125 | 4" | 100 |
| 150WQ100-7-5.5AS | 5.5 | 7.5 | 23 | 136 | 6" | 150 |
| 150WQ120-12-7.5AS | 7.5 | 10 | 29 | 164 | 6" | 150 |
| KHÔNG. | Tên |
| 1 | mang |
| 2 | trục động cơ |
| 3 | Vỏ động cơ |
| 4 | Vật liệu điện |
| 5 | mang |
| 6 | Phốt cơ khí |
| Con dấu dầu | |
| 7 | Vỏ bơm |
| 8 | Bánh xe + mảnh cắt |
| 9 | Giảm giá |
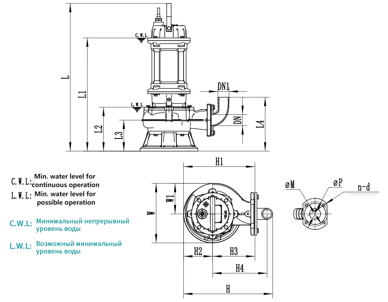
| Người mẫu. | DN | DN1 | L | L1 | L2 | L3 | L4 | W | W1 | H | H1 | H2 | H3 | H4 | M | n-d | P |
| 50WQ10-10-1.1AS | 50 | 51 | 570 | 420 | 155 | 108 | 195 | 205 | 103 | 386 | 251 | 103 | 148 | 257 | 110 | 4-Φ14 | 140 |
| 50WQ15-15-1.5AS | 50 | 51 | 590 | 440 | 166 | 118 | 239 | 243 | 122 | 413 | 278 | 122 | 156 | 265 | 110 | 4-Φ14 | 140 |
| 50WQ15-20-2.2AS | 50 | 51 | 610 | 460 | 166 | 118 | 239 | 243 | 122 | 413 | 278 | 122 | 156 | 265 | 110 | 4-Φ14 | 140 |
| 50WQ15-26-3AS | 50 | 51 | 650 | 495 | 182 | 132 | 253 | 262 | 131 | 435 | 300 | 131 | 169 | 278 | 110 | 4-Φ14 | 140 |
| 50WQ15-30-4AS | 50 | 51 | 690 | 525 | 182 | 132 | 253 | 262 | 131 | 435 | 300 | 131 | 169 | 278 | 110 | 4-Φ14 | 140 |
| 65WQ25-10-1.5AS | 65 | 64 | 600 | 450 | 176 | 123 | 244 | 243 | 122 | 399 | 286 | 122 | 164 | 245 | 130 | 4-Φ14 | 160 |
| 65WQ25-15-2.2AS | 65 | 64 | 620 | 460 | 176 | 123 | 244 | 243 | 122 | 399 | 286 | 122 | 164 | 245 | 130 | 4-Φ14 | 160 |
| 65WQ25-20-3AS | 65 | 64 | 655 | 500 | 190 | 135 | 256 | 266 | 133 | 429 | 316 | 133 | 183 | 264 | 130 | 4-Φ14 | 160 |
| 65WQ25-26-4AS | 65 | 64 | 695 | 530 | 190 | 135 | 256 | 266 | 133 | 429 | 316 | 133 | 183 | 264 | 130 | 4-Φ14 | 160 |
| 65WQ25-30-5.5AS | 65 | 64 | 740 | 570 | 203 | 147 | 268 | 300 | 150 | 467 | 354 | 150 | 204 | 285 | 130 | 4-Φ14 | 160 |
| 65WQ25-35-7.5AS | 65 | 64 | 770 | 600 | 203 | 147 | 268 | 300 | 150 | 467 | 354 | 150 | 204 | 285 | 130 | 4-Φ14 | 160 |
| 65WQ30-58-18.5AS | 65 | 64 | 995 | 757 | 234 | 174 | 298 | 336 | 168 | 495 | 400 | 168 | 232 | 295 | 130 | 4-Φ14 | 160 |
| 80WQ40-10-2.2AS | 80 | 74 | 630 | 470 | 178 | 125 | 260 | 255 | 133 | 413 | 300 | 122 | 178 | 254 | 150 | 4-Φ18 | 190 |
| 80WQ40-15-3AS | 80 | 74 | 665 | 510 | 197 | 139 | 274 | 267 | 137 | 433 | 320 | 131 | 189 | 265 | 150 | 4-Φ18 | 190 |
| 80WQ40-20-4AS | 80 | 74 | 705 | 540 | 197 | 139 | 274 | 267 | 137 | 433 | 320 | 131 | 189 | 265 | 150 | 4-Φ18 | 190 |
| 80WQ45-22-5.5AS | 80 | 74 | 750 | 580 | 211 | 151 | 286 | 300 | 150 | 477 | 364 | 150 | 214 | 290 | 150 | 4-Φ18 | 190 |
| 80WQ45-25-7.5AS | 80 | 74 | 780 | 610 | 211 | 151 | 286 | 300 | 150 | 477 | 364 | 150 | 214 | 290 | 150 | 4-Φ18 | 190 |
| 80WQ45-46-15AS | 80 | 74 | 960 | 722 | 234 | 174 | 313 | 336 | 168 | 508 | 400 | 168 | 232 | 303 | 150 | 4-Φ18 | 190 |
| 80WQ45-52-18.5AS | 80 | 74 | 995 | 757 | 234 | 174 | 313 | 336 | 168 | 508 | 400 | 168 | 232 | 303 | 150 | 4-Φ18 | 190 |
| 80WQ45-58-22AS | 80 | 74 | 1040 | 802 | 234 | 174 | 313 | 336 | 168 | 508 | 400 | 168 | 232 | 303 | 150 | 4-Φ18 | 190 |
| 100WQ60-9-3AS | 100 | 102 | 680 | 525 | 215 | 144 | 302 | 285 | 152 | 491 | 335 | 135 | 200 | 305 | 170 | 4-Φ18 | 210 |
| 100WQ60-13-4AS | 100 | 102 | 720 | 555 | 215 | 144 | 302 | 285 | 152 | 491 | 335 | 135 | 200 | 305 | 170 | 4-Φ18 | 210 |
| 100WQ65-15-5.5AS | 100 | 102 | 765 | 595 | 229 | 160 | 318 | 313 | 163 | 534 | 378 | 150 | 228 | 333 | 170 | 4-Φ18 | 210 |
| 100WQ80-35-15AS | 100 | 102 | 975 | 735 | 247 | 181 | 333 | 347 | 180 | 567 | 411 | 168 | 243 | 348 | 170 | 4-Φ18 | 210 |
| 100WQ100-13-7.5AS | 100 | 102 | 795 | 625 | 229 | 160 | 318 | 313 | 163 | 534 | 378 | 150 | 228 | 333 | 170 | 4-Φ18 | 210 |
| 150WQ100-7-5.5AS | 150 | 149 | 765 | 595 | 229 | 160 | 374 | 313 | 163 | 585 | 378 | 150 | 228 | 360 | 225 | 8-Φ18 | 265 |
| 150WQ120-12-7.5AS | 150 | 149 | 795 | 625 | 229 | 160 | 374 | 313 | 163 | 585 | 378 | 150 | 228 | 360 | 225 | 8-Φ18 | 265 |